
| Design Standard | GB/T 12237 |
|---|---|
| Face to Face Dimension (Flange Connecting) | GB/T 12221 |
| Connecting Flange Size | GB/T 9113, JB/T 79 |
| Test & Inspection | GB/T 3927, JB/T 9092 |
| Name of Parts | C | P | R |
|---|---|---|---|
| Body | WCB | ZG1Cr18Ni9Ti | ZG1Cr18Ni12Mo2Ti |
| Gasket | Graphite + Stainless Steel | PTFE | PTFE |
| Screw | 35 | 304 | 304 |
| Disc | A216-WCB + A276-304 or Stellite PTFE Surfacing | ZG1Cr18Ni9Ti + PTFE | ZG1Cr18Ni12Mo2Ti + PTFE |
| Split Ring | 1Cr18Ni9Ti | 1Cr18Ni9Ti | 1Cr18Ni12Mo2Ti |
| Disc Cover | 1Cr18Ni9Ti | 1Cr18Ni9Ti | 1Cr18Ni12Mo2Ti |
| Stem | 2Cr13 | 1Cr18Ni9Ti | 1Cr18Ni12Mo2Ti |
| Screw Cap | 35 | 304 | 304 |
| Lifting Ring Screw | 35 | 304 | 304 |
| Bonnet | WCB | ZG1Cr18Ni9Ti | ZG1Cr18Ni12Mo2Ti |
| Screw | 35 | 304 | 304 |
| Gasket | 35 | 1Cr18Ni9Ti | 1Cr18Ni12Mo2Ti |
| Packing | Graphite | PTFE | PTFE |
| Packing Plate | WCB | ZG1Cr18Ni9Ti | ZG1Cr18Ni12Mo2Ti |
| Screw Cap | 35 | 304 | 304 |
| Item | Specification |
|---|---|
| Model | ZTJ641H(F) |
| Bore | DN50–800 mm |
| Pressure | 0.6, 1.0, 1.6, 2.5, 4.0 MPa; 150Lb, 300Lb |
| Dimension Standard | GB Standard, American Standard |
| Body Material | Cast Iron, Carbon Steel (WCB), Stainless Steel (CF8, CF8M, CF3, CF3M) |
| Seat Material | Metal Sealed (H, Y), PTFE (F) |
| Mode of Action | Double-acting or Single-acting (spring return) pneumatic actuator |
| Control | Switch Type, Adjust Type, Intelligent |
| Selection of Accessories | Solenoid valve, Locator, Limit switch, F.R.L. Combination Unit, Manual Device |
| Item | Specification |
|---|---|
| Model | ZTJ941H(F) |
| Bore | DN50–800 mm |
| Pressure | 0.6, 1.0, 1.6, 2.5 MPa; 150Lb, 300Lb |
| Dimension Standard | GB Standard, American Standard |
| Body Material | Cast Iron, Carbon Steel (WCB), Stainless Steel (CF8, CF8M, CF3, CF3M) |
| Seat Material | Metal Sealed (H, Y), PTFE (F), NBR (X) |
| Mode of Action | Power-on type, Power-off type |
| Control | Switch Type, Adjust Type, Intelligent |
| Selection of Accessories | Stroke switch, Analog quantity feedback module, Electric control box |

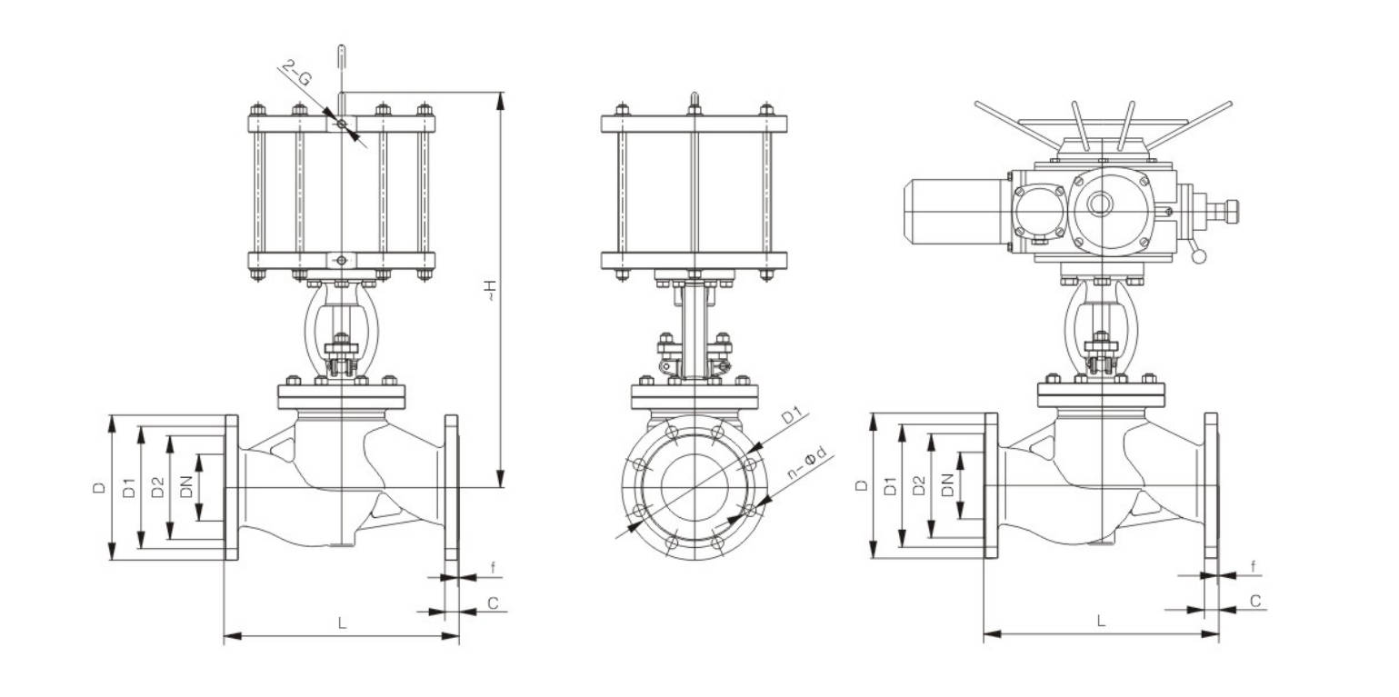
ZTJ641H(W/F/Y)-16C/P/R
| DN | L | ~H | D | D1 | D2 | C | f | n | Hole Dia | Pneumatic Actuator (Double Action) | Interface |
|---|---|---|---|---|---|---|---|---|---|---|---|
| 15 | 130 | 291 | 95 | 65 | 46 | 14 | 2 | 4 | Φ14 | ZTCL-100 | 1/4" |
| 20 | 150 | 300 | 105 | 75 | 56 | 16 | 2 | 4 | Φ14 | ZTCL-130 | 1/4" |
| 25 | 160 | 353 | 115 | 85 | 65 | 16 | 2 | 4 | Φ14 | ZTCL-130 | 1/4" |
| 32 | 180 | 390 | 140 | 100 | 76 | 18 | 2 | 4 | Φ18 | ZTCL-140 | 1/4" |
| 40 | 200 | 518 | 150 | 110 | 84 | 18 | 3 | 4 | Φ18 | ZTCL-140 | 1/4" |
| 50 | 230 | 555 | 165 | 125 | 99 | 20 | 3 | 4 | Φ18 | ZTCL-160 | 1/4" |
| 65 | 290 | 630 | 185 | 145 | 118 | 20 | 3 | 4 | Φ18 | ZTCL-160 | 1/4" |
| 80 | 310 | 683 | 200 | 160 | 132 | 20 | 3 | 8 | Φ18 | ZTCL-200 | 1/4" |
| 100 | 350 | 745 | 220 | 180 | 156 | 22 | 3 | 8 | Φ18 | ZTCL-200 | 3/8" |
| 125 | 400 | 855 | 250 | 210 | 184 | 22 | 3 | 8 | Φ18 | ZTCL-250 | 3/8" |
| 150 | 480 | 870 | 285 | 240 | 211 | 24 | 3 | 8 | Φ22 | ZTCL-300 | 3/8" |
| 200 | 600 | 954 | 340 | 295 | 266 | 24 | 3 | 12 | Φ22 | ZTCL-250(SG) | 3/8" |
| 250 | 650 | 1065 | 405 | 355 | 319 | 26 | 3 | 12 | Φ26 | ZTCL-300(SG) | 3/8" |
| 300 | 750 | 1185 | 460 | 410 | 370 | 28 | 4 | 12 | Φ26 | ZTCL-350(SG) | 3/8" |
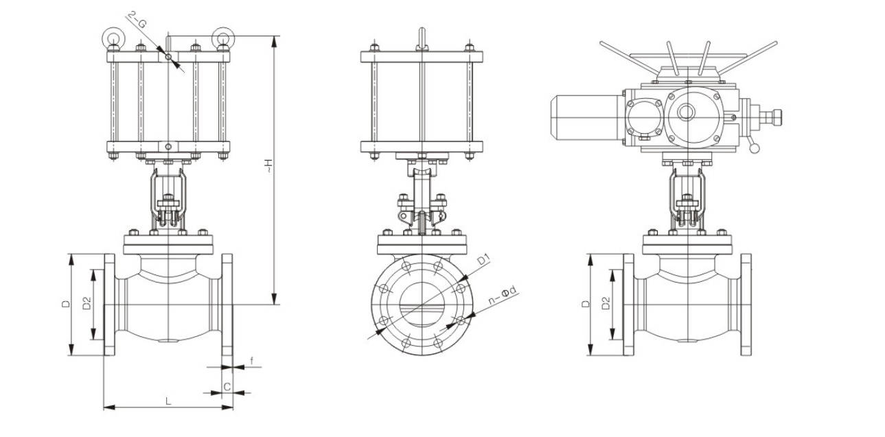
ZTJ641H(W/F/Y)-25P/R
| DN | L | ~H | D | D1 | D2 | C | f | n | d | Pneumatic Actuator (Double Action) | Interface |
|---|---|---|---|---|---|---|---|---|---|---|---|
| 15 | 130 | 291 | 95 | 65 | 46 | 14 | 2 | 4 | Φ14 | ZTCL-100 | 1/4" |
| 20 | 150 | 300 | 105 | 75 | 56 | 16 | 2 | 4 | Φ14 | ZTCL-130 | 1/4" |
| 25 | 160 | 353 | 115 | 85 | 65 | 16 | 2 | 4 | Φ14 | ZTCL-130 | 1/4" |
| 32 | 180 | 390 | 140 | 100 | 76 | 18 | 2 | 4 | Φ18 | ZTCL-140 | 1/4" |
| 40 | 200 | 518 | 150 | 110 | 84 | 18 | 3 | 4 | Φ18 | ZTCL-140 | 1/4" |
| 50 | 230 | 555 | 165 | 125 | 99 | 20 | 3 | 4 | Φ18 | ZTCL-160 | 1/4" |
| 65 | 290 | 630 | 185 | 145 | 118 | 22 | 3 | 8 | Φ18 | ZTCL-200 | 1/4" |
| 80 | 310 | 683 | 200 | 160 | 132 | 24 | 3 | 8 | Φ18 | ZTCL-220 | 3/8" |
| 100 | 350 | 745 | 235 | 190 | 156 | 24 | 3 | 8 | Φ22 | ZTCL-250 | 3/8" |
| 125 | 400 | 855 | 270 | 220 | 184 | 26 | 3 | 8 | Φ26 | ZTCL-300 | 3/8" |
| 150 | 480 | 870 | 300 | 250 | 211 | 28 | 3 | 8 | Φ26 | ZTCL-250(SG) | 3/8" |
| 200 | 600 | 954 | 360 | 310 | 274 | 30 | 3 | 12 | Φ26 | ZTCL-300(SG) | 3/8" |
| 250 | 650 | 1065 | 425 | 370 | 330 | 32 | 3 | 12 | Φ30 | ZTCL-400(SG) | 3/8" |
| 300 | 750 | 1185 | 485 | 430 | 389 | 34 | 4 | 16 | Φ30 | ZTCL-450(SG) | 3/8" |
ZTJ641H(W/F/Y)-40P/R
| DN | L | ~H | D | D1 | D2 | C | f | n | d | D3 | X | Pneumatic Actuator (Double Action) | Interface |
|---|---|---|---|---|---|---|---|---|---|---|---|---|---|
| 15 | 130 | 305 | 95 | 65 | 46 | 14 | 2 | 4 | F14 | 40 | 4 | ZTCL-130 | 1/4" |
| 20 | 150 | 316 | 105 | 75 | 56 | 16 | 2 | 4 | F14 | 51 | 4 | ZTCL-140 | 1/4" |
| 25 | 160 | 373 | 115 | 85 | 65 | 16 | 2 | 4 | F14 | 58 | 4 | ZTCL-140 | 1/4" |
| 32 | 180 | 416 | 140 | 100 | 76 | 18 | 2 | 4 | F18 | 66 | 4 | ZTCL-160 | 1/4" |
| 40 | 200 | 530 | 150 | 110 | 84 | 18 | 3 | 4 | F18 | 76 | 4 | ZTCL-160 | 1/4" |
| 50 | 230 | 575 | 165 | 125 | 99 | 20 | 3 | 4 | F18 | 88 | 4 | ZTCL-200 | 1/4" |
| 65 | 290 | 656 | 185 | 145 | 118 | 22 | 3 | 8 | F18 | 110 | 4 | ZTCL-220 | 1/4" |
| 80 | 310 | 713 | 200 | 160 | 132 | 24 | 3 | 8 | F18 | 121 | 4 | ZTCL-250 | 3/8" |
| 100 | 350 | 775 | 235 | 190 | 156 | 24 | 3 | 8 | F22 | 150 | 4.5 | ZTCL-300 | 3/8" |
| 125 | 400 | 892 | 270 | 220 | 184 | 26 | 3 | 8 | F26 | 176 | 4.5 | ZTCL-350 | 3/8" |
| 150 | 480 | 940 | 300 | 250 | 211 | 28 | 3 | 8 | F26 | 204 | 4.5 | ZTCL-300(SG) | 3/8" |
| 200 | 600 | 1054 | 375 | 320 | 284 | 34 | 3 | 12 | F30 | 260 | 4.5 | ZTCL-400(SG) | 3/8" |
| 250 | 650 | 1115 | 450 | 385 | 345 | 38 | 3 | 12 | F33 | 313 | 4.5 | ZTCL-450(SG) | 3/8" |
| 300 | 750 | 1235 | 515 | 450 | 409 | 42 | 4 | 16 | F33 | 364 | 4.5 | ZTCL-600(SG) | 3/8" |
| Design Standard | ANSI B16.34, BS 1873 |
|---|---|
| Face to Face Dimension (Flange Connecting) | ANSI B16.10 |
| Connecting Flange Size | ANSI B16.5 |
| Test & Inspection | API 598 |
| Name of Parts | C | P | R |
|---|---|---|---|
| Body | A216-WCB | A351-CF8 | A351-CF8M |
| Gasket | Graphite + Stainless Steel | PTFE | PTFE |
| Screw | A193-B7 | A276-304 | A276-316 |
| Disc | A216-WCB + A276-304 Stellite PTFE Surfacing | A351-CF8 PTFE | A351-CF8M PTFE |
| Split Ring | A182-F304 | A276-304 | A276-316 |
| Disc Cover | A182-F304 | A276-304 | A276-316 |
| Stem | A276-410 | A276-304 | A276-316 |
| Screw Cap | A194-2H | A276-304 | A276-316 |
| Lifting Ring Screw | A192-2H | A276-304 | A276-316 |
| Bonnet | A216-WCB | A351-CF8 | A351-CF8M |
| Screw | A194-2H | A276-304 | A276-316 |
| Gasket | A194-2H | A276-304 | A276-316 |
| Packing | Graphite | PTFE | PTFE |
| Packing Plate | A216-WCB | A351-CF8 | A351-CF8M |
| Screw Cap | A194-2H | A276-304 | A276-316 |

ZTJ641H(W/F/Y)-Class 150
| mm | in | L | ~H | D | D1 | D2 | C | f | n | d | Pneumatic Actuator (Double Action) | Interface |
|---|---|---|---|---|---|---|---|---|---|---|---|---|
| 15 | 1/2 | 108 | 346 | 89 | 60.5 | 35 | 10 | 1.6 | 4 | Φ16 | ZTCL-100 | 1/4" |
| 20 | 3/4 | 117 | 346 | 99 | 69.9 | 43 | 10.5 | 1.6 | 4 | Φ16 | ZTCL-130 | 1/4" |
| 25 | 1 | 127 | 346 | 108 | 79.2 | 51 | 11.5 | 1.6 | 4 | Φ16 | ZTCL-130 | 1/4" |
| 32 | 1 1/4 | 140 | 400 | 117 | 88.9 | 64 | 13 | 1.6 | 4 | Φ16 | ZTCL-140 | 1/4" |
| 40 | 1 1/2 | 165 | 406 | 127 | 98.6 | 73 | 14.5 | 1.6 | 4 | Φ16 | ZTCL-140 | 1/4" |
| 50 | 2 | 203 | 496 | 152 | 120.7 | 92 | 16 | 1.6 | 4 | Φ19 | ZTCL-160 | 1/4" |
| 65 | 2 1/2 | 216 | 527 | 178 | 139.7 | 105 | 18 | 1.6 | 4 | Φ19 | ZTCL-160 | 1/4" |
| 80 | 3 | 241 | 561 | 191 | 152.47 | 127 | 19.5 | 1.6 | 8 | Φ19 | ZTCL-200 | 1/4" |
| 100 | 4 | 292 | 614 | 229 | 190.5 | 157 | 24 | 1.6 | 8 | Φ19 | ZTCL-200 | 1/4" |
| 125 | 5 | 356 | 635 | 254 | 215.9 | 186 | 24 | 1.6 | 8 | Φ22 | ZTCL-250 | 1/4" |
| 150 | 6 | 406 | 721 | 279 | 241.3 | 216 | 25.5 | 1.6 | 8 | Φ22 | ZTCL-300 | 3/8" |
| 200 | 8 | 495 | 851 | 343 | 298.5 | 370 | 28.5 | 1.6 | 12 | Φ22 | ZTCL-250(SB) | 3/8" |
| 250 | 10 | 622 | 1020 | 406 | 362 | 324 | 30.5 | 1.6 | 12 | Φ25 | ZTCL-300(SB) | 3/8" |
| 300 | 12 | 698 | 1470 | 483 | 431.8 | 381 | 32 | 1.6 | 12 | Φ25 | ZTCL-350(SB) | 3/8" |
| 350 | 14 | 787 | 1730 | 533 | 476.3 | 413 | 35.5 | 1.6 | 12 | Φ29 | ZTCL-400(SB) | 1/2" |
| 400 | 16 | 914 | 1955 | 597 | 539.8 | 470 | 37 | 1.6 | 12 | Φ29 | ZTCL-450(SB) | 1/2" |
ZTJ641H(W/F/Y)-Class 300
| DN | in | L | ~H | D | D1 | D2 | C | f | n | d | Pneumatic Actuator (Double Action) | Interface |
|---|---|---|---|---|---|---|---|---|---|---|---|---|
| 15 | 1/2 | 152 | 346 | 95 | 67 | 35 | 14.5 | 1.6 | 4 | Φ16 | ZTCL-130 | 1/4" |
| 20 | 3/4 | 178 | 346 | 117 | 83 | 43 | 16 | 1.6 | 4 | Φ19 | ZTCL-140 | 1/4" |
| 25 | 1 | 203 | 346 | 124 | 89 | 51 | 18 | 1.6 | 4 | Φ19 | ZTCL-140 | 1/4" |
| 32 | 1 1/4 | 216 | 400 | 133 | 99 | 64 | 19.5 | 1.6 | 4 | Φ19 | ZTCL-160 | 1/4" |
| 40 | 1 1/2 | 229 | 406 | 155 | 114 | 73 | 21 | 1.6 | 4 | Φ22 | ZTCL-160 | 1/4" |
| 50 | 2 | 267 | 496 | 165 | 127 | 92 | 22.5 | 1.6 | 8 | Φ19 | ZTCL-200 | 1/4" |
| 65 | 2 1/2 | 292 | 527 | 191 | 149.4 | 105 | 25.5 | 1.6 | 8 | Φ22 | ZTCL-220 | 1/4" |
| 80 | 3 | 318 | 561 | 210 | 168.1 | 127 | 28.5 | 1.6 | 8 | Φ22 | ZTCL-250 | 3/8" |
| 100 | 4 | 356 | 614 | 254 | 200.2 | 157 | 32 | 1.6 | 8 | Φ22 | ZTCL-300 | 3/8" |
| 125 | 5 | 400 | 635 | 279 | 235 | 186 | 35.5 | 1.6 | 8 | Φ22 | ZTCL-350 | 3/8" |
| 150 | 6 | 444 | 721 | 318 | 269.7 | 216 | 37 | 1.6 | 12 | Φ22 | ZTCL-300(SB) | 3/8" |
| 200 | 8 | 559 | 851 | 381 | 330.2 | 370 | 41.5 | 1.6 | 12 | Φ25 | ZTCL-400(SB) | 3/8" |
| 250 | 10 | 622 | 1020 | 445 | 387.4 | 324 | 48 | 1.6 | 16 | Φ28 | ZTCL-450(SB) | 3/8" |
| 300 | 12 | 711 | 1470 | 521 | 450.9 | 381 | 51 | 1.6 | 16 | Φ32 | ZTCL-600(SB) | 3/8" |
ZTJ641H(W/F/Y)-Class 600
| DN | in | L | ~H | D | D1 | D2 | C | f | n | d | Pneumatic Actuator (Double Action) | Interface |
|---|---|---|---|---|---|---|---|---|---|---|---|---|
| 15 | 1/2 | 165 | 405 | 95 | 66.5 | 35 | 14.5 | 6.4 | 4 | F16 | ZTCL-140 | 1/4" |
| 20 | 3/4 | 190 | 425 | 117 | 82.6 | 43 | 16 | 6.4 | 4 | F19 | ZTCL-160 | 1/4" |
| 25 | 1 | 216 | 443 | 124 | 88.9 | 51 | 18 | 6.4 | 4 | F19 | ZTCL-200 | 1/4" |
| 32 | 1 1/4 | 229 | 458 | 133 | 98.6 | 64 | 21 | 6.4 | 4 | F19 | ZTCL-200 | 1/4" |
| 40 | 1 1/2 | 241 | 505 | 155 | 114.3 | 73 | 22.5 | 6.4 | 4 | F22 | ZTCL-220 | 1/4" |
| 50 | 2 | 292 | 584 | 165 | 127 | 92 | 25.5 | 6.4 | 8 | F19 | ZTCL-250 | 1/4" |
| 65 | 2 1/2 | 330 | 633 | 191 | 149.4 | 105 | 28.5 | 6.4 | 8 | F22 | ZTCL-300 | 1/4" |
| 80 | 3 | 356 | 693 | 210 | 168.1 | 127 | 32 | 6.4 | 8 | F22 | ZTCL-300 | 3/8" |
| 100 | 4 | 432 | 802 | 273 | 215.9 | 157 | 38.5 | 6.4 | 8 | F25 | ZTCL-350 | 3/8" |
| 125 | 5 | 508 | 850 | 330 | 266.7 | 186 | 44.5 | 6.4 | 8 | F28 | ZTCL-350(SB) | 3/8" |
| 150 | 6 | 559 | 1020 | 356 | 292.1 | 216 | 48 | 6.4 | 12 | F28 | ZTCL-350(SB) | 3/8" |
| 200 | 8 | 660 | 1177 | 419 | 349.3 | 370 | 56 | 6.4 | 12 | F32 | ZTCL-400(SB) | 3/8" |
| 250 | 10 | 787 | 1525 | 508 | 431.8 | 324 | 63.5 | 6.4 | 16 | F35 | ZTCL-400(SB) | 1/2" |
| 300 | 12 | 838 | 1768 | 559 | 489 | 381 | 67 | 6.4 | 20 | F35 | ZTCL-450(SB) | 1/2" |

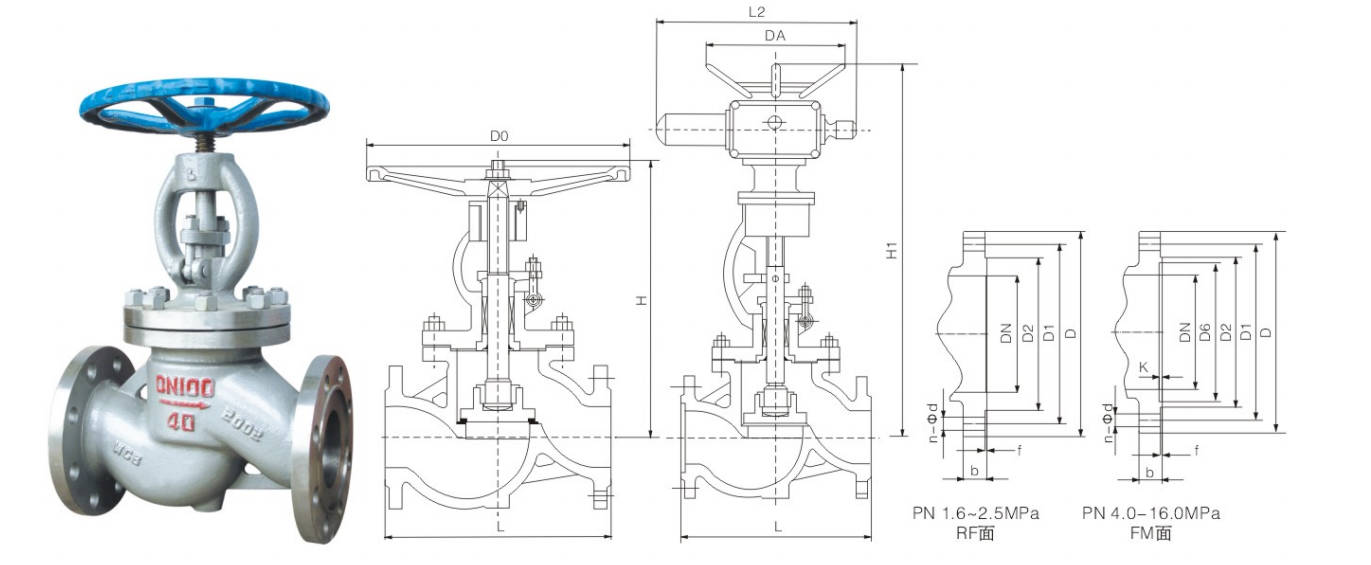
| Type | DN | L | D | D1 | D2 | b | N-Φd | H | D0 | L2 | H1 | DA | Electric Actuator Code |
|---|---|---|---|---|---|---|---|---|---|---|---|---|---|
| J41H-16C / J41Y-16I / J41W-16P / J41F-16C / J41N-16C | 10 | 130 | 90 | 60 | 40 | 14 | 4-Φ14 | 198 | 120 | ||||
| 15 | 130 | 95 | 65 | 45 | 14 | 4-Φ14 | 218 | 120 | |||||
| 20 | 150 | 105 | 75 | 55 | 14 | 4-Φ14 | 258 | 140 | |||||
| 25 | 160 | 115 | 85 | 65 | 14 | 4-Φ14 | 275 | 140 | |||||
| 32 | 180 | 135 | 100 | 78 | 16 | 4-Φ18 | 280 | 160 | |||||
| 40 | 200 | 145 | 110 | 85 | 16 | 4-Φ18 | 330 | 180 | |||||
| 50 | 230 | 160 | 125 | 100 | 16 | 4-Φ18 | 350 | 200 | 590 | 645 | 365 | DZW10 | |
| 65 | 290 | 180 | 145 | 120 | 18 | 4-Φ18 | 370 | 280 | 590 | 690 | 365 | DZW10 | |
| 80 | 310 | 195 | 160 | 135 | 20 | 8-Φ18 | 400 | 280 | 590 | 715 | 365 | DZW20 | |
| 100 | 350 | 215 | 180 | 155 | 20 | 8-Φ18 | 415 | 320 | 590 | 770 | 365 | DZW20 | |
| 125 | 400 | 245 | 210 | 185 | 22 | 8-Φ18 | 460 | 360 | 590 | 780 | 365 | DZW30 | |
| 150 | 480 | 280 | 240 | 210 | 24 | 8-Φ23 | 510 | 450 | 590 | 875 | 365 | DZW45 | |
| 200 | 600 | 335 | 295 | 265 | 26 | 12-Φ23 | 710 | 500 | 810 | 967 | 470 | DZW60 | |
| 250 | 650 | 405 | 355 | 320 | 30 | 12-Φ25 | 786 | 550 | 810 | 1153 | 470 | DZW90 | |
| 300 | 750 | 460 | 410 | 375 | 30 | 12-Φ25 | 925 | 600 | 830 | 1292 | 550 | DZW120 | |
| 350 | 850 | 520 | 470 | 435 | 34 | 16-Φ25 | 1075 | 700 | 830 | 1530 | 550 | DZW120 | |
| 400 | 950 | 580 | 525 | 485 | 36 | 16-Φ30 | 1235 | 800 | 870 | 1810 | 320 | DZW180 | |
| 450 | 1200 | 640 | 585 | 545 | 40 | 20-Φ30 | — | 1000 | 870 | — | 320 | DZW250 | |
| 500 | 1250 | 705 | 650 | 608 | 44 | 20-Φ34 | — | 1000 | 1170 | — | 570 | DZW500 | |
| 600 | 1450 | 840 | 770 | 718 | 48 | 20-Φ36/41 | — | 1000 | 1170 | — | 570 | DZW500 | |
| 700 | 1650 | 910 | 840 | 788 | 50 | 20-Φ36/41 | — | 1000 | 1170 | — | 570 | DZW500 |

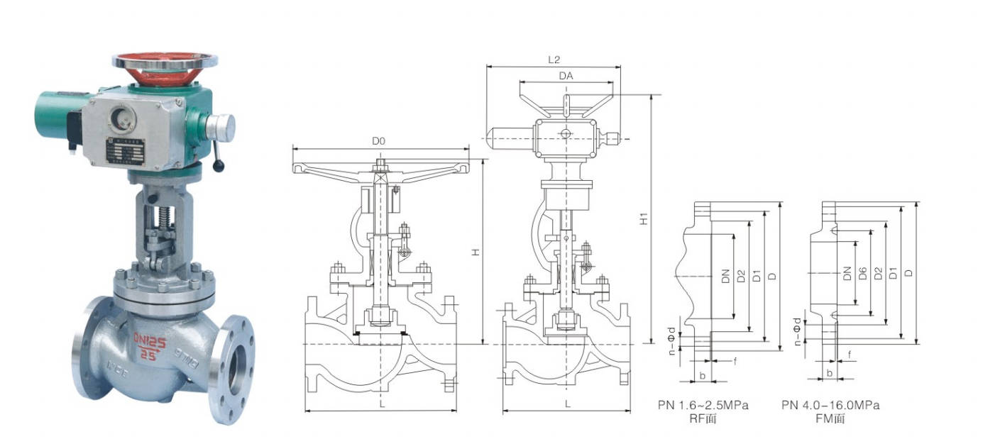
| Type | DN | L | D | D1 | D2 | b | n-Φd | H | D0 | L2 | H1 | DA | Electric Actuator Code |
|---|---|---|---|---|---|---|---|---|---|---|---|---|---|
| J41H-25C / J41Y-25I / J41W-25P / J41F-25C / J41N-25C | 10 | 130 | 90 | 60 | 40 | 16 | 4-Φ14 | 198 | 120 | ||||
| 15 | 130 | 95 | 65 | 45 | 16 | 4-Φ14 | 218 | 120 | |||||
| 20 | 150 | 105 | 75 | 55 | 16 | 4-Φ14 | 258 | 140 | |||||
| 25 | 160 | 115 | 85 | 65 | 16 | 4-Φ14 | 275 | 140 | |||||
| 32 | 180 | 135 | 100 | 78 | 18 | 4-Φ18 | 280 | 160 | |||||
| 40 | 200 | 145 | 110 | 85 | 18 | 4-Φ18 | 330 | 180 | |||||
| 50 | 230 | 160 | 125 | 100 | 20 | 4-Φ18 | 350 | 200 | 590 | 645 | 365 | DZW10 | |
| 65 | 290 | 180 | 145 | 120 | 22 | 8-Φ18 | 400 | 280 | 590 | 690 | 365 | DZW10 | |
| 80 | 310 | 195 | 160 | 135 | 22 | 8-Φ18 | 355 | 280 | 590 | 715 | 365 | DZW20 | |
| 100 | 350 | 230 | 190 | 160 | 24 | 8-Φ23 | 415 | 320 | 590 | 770 | 365 | DZW20 | |
| 125 | 400 | 270 | 220 | 188 | 28 | 8-Φ25 | 460 | 360 | 590 | 780 | 365 | DZW30 | |
| 150 | 480 | 300 | 250 | 218 | 30 | 8-Φ25 | 510 | 450 | 810 | 875 | 470 | DZW45 | |
| 200 | 600 | 360 | 310 | 278 | 34 | 12-Φ25 | 710 | 500 | 810 | 967 | 470 | DZW60 | |
| 250 | 650 | 425 | 370 | 332 | 36 | 12-Φ30 | 786 | 550 | 830 | 1153 | 550 | DZW90 | |
| 300 | 750 | 485 | 430 | 390 | 40 | 16-Φ30 | 925 | 600 | 830 | 1292 | 550 | DZW120 | |
| 350 | 850 | 550 | 490 | 448 | 44 | 16-Φ34 | 1075 | 700 | 870 | 1650 | 320 | DZW180 | |
| 400 | 950 | 610 | 550 | 505 | 48 | 16-Φ34 | 1235 | 800 | 870 | 1830 | 320 | DZW250 | |
| 450 | 1200 | 660 | 600 | 555 | 50 | 20-Φ34 | — | 1000 | 1170 | — | 570 | DZW350 | |
| 500 | 1250 | 730 | 660 | 610 | 52 | 20-Φ41 | — | 1000 | 1170 | — | 570 | DZW500 | |
| 600 | 1450 | 840 | 770 | 718 | 56 | 20-Φ41 | — | 1000 | 1170 | — | 570 | DZW500 |
| Type | DN | L | D | D1 | D2 | D6 | b | n-Φd | H | D0 | L2 | H1 | DA | Electric Actuator Code |
|---|---|---|---|---|---|---|---|---|---|---|---|---|---|---|
| J41H-40C / J41Y-40I / J41W-40P / J41F-40C / J41N-40C | 10 | 130 | 90 | 60 | 41 | 35 | 14 | 4-Φ14 | 198 | 120 | ||||
| 15 | 130 | 95 | 65 | 45 | 40 | 16 | 4-Φ14 | 233 | 120 | |||||
| 20 | 150 | 105 | 75 | 55 | 51 | 16 | 4-Φ14 | 275 | 140 | |||||
| 25 | 160 | 115 | 85 | 65 | 58 | 16 | 4-Φ14 | 285 | 160 | |||||
| 32 | 180 | 135 | 100 | 78 | 66 | 18 | 4-Φ18 | 302 | 160 | |||||
| 40 | 200 | 145 | 110 | 85 | 76 | 18 | 4-Φ18 | 355 | 200 | |||||
| 50 | 230 | 160 | 125 | 100 | 88 | 20 | 4-Φ18 | 373 | 200 | 590 | 645 | 365 | DZW10 | |
| 65 | 290 | 180 | 145 | 120 | 110 | 22 | 8-Φ18 | 408 | 280 | 590 | 690 | 365 | DZW10 | |
| 80 | 310 | 195 | 160 | 135 | 121 | 22 | 8-Φ18 | 436 | 280 | 590 | 715 | 365 | DZW20 | |
| 100 | 350 | 230 | 190 | 160 | 150 | 24 | 8-Φ23 | 480 | 320 | 590 | 770 | 365 | DZW30 | |
| 125 | 400 | 270 | 220 | 188 | 176 | 28 | 8-Φ25 | 588 | 360 | 810 | 782 | 470 | DZW45 | |
| 150 | 480 | 300 | 250 | 218 | 204 | 30 | 8-Φ25 | 611 | 400 | 810 | 875 | 470 | DZW60 | |
| 200 | 600 | 375 | 320 | 282 | 260 | 38 | 12-Φ30 | 720 | 400 | 830 | 1160 | 550 | DZW90 | |
| 250 | 730 | 445 | 385 | 345 | 313 | 42 | 12-Φ34 | 800 | 450 | 830 | 1343 | 470 | DZW120 | |
| 300 | 850 | 510 | 450 | 408 | 364 | 46 | 16-Φ34 | 890 | 500 | 810 | 1516 | 470 | DZW120 | |
| 350 | 980 | 570 | 510 | 465 | 422 | 52 | 16-Φ34 | 980 | 600 | 830 | 1678 | 470 | DZW180 | |
| 400 | 1100 | 655 | 585 | 535 | 474 | 58 | 16-Φ41 | 1100 | 600 | 830 | 1849 | 550 | DZW250 | |
| 500 | 1250 | 755 | 670 | 612 | 576 | 62 | 20-Φ48 | 1250 | 700 | 830 | 2234 | 550 | DZW350 | |
| 600 | 1450 | 890 | 795 | 730 | 676/678 | 62 | 20-Φ54/48 | 1380 | 900 | 870 | 2432 | 320 | DZW500 |
| Type | DN | L | D | D1 | D2 | D6 | b | n-Φd | H | D0 | L2 | H1 | DA | Electric Actuator Code |
|---|---|---|---|---|---|---|---|---|---|---|---|---|---|---|
| J41H-64C / J41Y-64I / J41W-64P / J41F-64C / J41N-64C | 15 | 170 | 105 | 75 | 55 | 40 | 18 | 4-Φ14 | 195 | 400 | ||||
| 20 | 190 | 125 | 90 | 68 | 51 | 20 | 4-Φ18 | 228 | 160 | |||||
| 25 | 210 | 135 | 100 | 78 | 58 | 22 | 4-Φ18 | 275 | 180 | |||||
| 32 | 230 | 150 | 110 | 82 | 66 | 24 | 4-Φ23 | 325 | 200 | |||||
| 40 | 260 | 165 | 125 | 95 | 76 | 24 | 4-Φ23 | 360 | 240 | |||||
| 50 | 300 | 175 | 135 | 105 | 88 | 26 | 4-Φ23 | 410 | 280 | 590 | 710 | 365 | DZW10 | |
| 65 | 340 | 200 | 160 | 130 | 110 | 28 | 8-Φ23 | 450 | 320 | 590 | 750 | 365 | DZW20 | |
| 80 | 380 | 210 | 170 | 140 | 121 | 30 | 8-Φ23 | 485 | 360 | 590 | 785 | 365 | DZW30 | |
| 100 | 430 | 250 | 200 | 168 | 150 | 32 | 8-Φ25 | 537 | 400 | 810 | 837 | 470 | DZW45 | |
| 125 | 500 | 295 | 240 | 202 | 176 | 36 | 8-Φ30 | 631 | 400 | 810 | 1031 | 470 | DZW60 | |
| 150 | 550 | 340 | 280 | 240 | 204 | 38 | 8-Φ34 | 646 | 450 | 830 | 1066 | 550 | DZW90 | |
| 200 | 650 | 405 | 345 | 300 | 260 | 44 | 12-Φ34 | 813 | 500 | 830 | 1213 | 550 | DZW120 | |
| 250 | 775 | 470 | 400 | 352 | 313 | 48 | 12-Φ36/41 | 990 | 600 | 830 | 1500 | 550 | DZW120 | |
| 300 | 900 | 530 | 460 | 412 | 364 | 54 | 16-Φ36/41 | 1180 | 700 | 830 | 1820 | 550 | DZW180 |
Step 1: Order and Design
According to customer requirements, the flanged globe valve is confirmed in terms of size, pressure rating, body material, trim material, flange standard, and working conditions. Technical drawings and production plans are then prepared to ensure the valve design meets application and international standard requirements.

Step 2: Forging & Casting
The main pressure-containing parts of the flanged globe valve, such as body, bonnet, and disc, are produced by casting or forging based on design requirements. Raw materials are strictly controlled, and each part is checked for surface quality and internal soundness before moving to the next process.

Step 3: Machining
All key components are machined with precision, including flange faces, body cavity, seat area, stem hole, bonnet connection, and sealing surfaces. During this stage, the flanged globe valve must meet dimensional tolerances and surface finish requirements to guarantee smooth operation and reliable sealing performance.

Step 4: Assembly
After machining and cleaning, all parts are assembled in sequence, including seat, disc, stem, bonnet, gasket, packing, and handwheel or actuator. Proper assembly of the flanged globe valve is essential to ensure accurate opening and closing movement and long service life.

Step 5: Testing & Quality Assurance
Each flanged globe valve undergoes pressure testing, sealing testing, and operational inspection according to relevant standards such as API, DIN, or BS. Material certificates, dimensional inspection, and visual examination are also included in quality assurance to ensure product reliability.

Step 6: Painting and Finishing
After final inspection, the valve surface is cleaned, painted, and marked with required nameplate and traceability information. Packaging is then completed carefully to protect the valve during storage and transportation.

Widely used in industrial piping systems in the petroleum, chemical, pharmaceutical, and power industries
These valves are widely used in:

Oil and Gas

Chemical Processing

Power Plants

Water Treatment

Metallurgy and Mining

Agriculture and Irrigation






Superior Quality

Our valves are manufactured using premium materials and undergo rigorous quality testing to ensure reliable performance in demanding industrial applications.
Advanced Technology

Equipped with state-of-the-art CNC machining centers and precision manufacturing equipment, we deliver valves with exceptional accuracy and consistency.
Competitive Pricing

Through optimized manufacturing processes and bulk material procurement, we offer high-quality valves at competitive prices without compromising on quality.
Expert Support

Our experienced technical team provides comprehensive support from product selection to after-sales service, ensuring optimal valve performance for your specific application.
Request a Quote