
| Type | Design and Manufacture | Face to Face | Flange Dimension | Pressure-Temperature Rating | Inspection and Test |
|---|---|---|---|---|---|
| Swing Check Valve | GB 12236 | GB 12221 | JB 79 / HG/T 20592 | GB 9131 / GB/T 12224 | GB/T 13927-2008 / GB/T 26480-2011 |
| Lift Check Valve | GB 12235 | GB 12221 | JB 79 / HG/T 20592 | GB 9131 / GB/T 12224 | GB/T 13927-2008 / GB/T 26480-2011 |
| Nominal Pressure | MPa | 1.6 | 2.5 | 4.0 | 6.4 | 10.0 | 16.0 |
|---|---|---|---|---|---|---|---|
| Shell Test | MPa | 2.4 | 3.75 | 6.0 | 9.6 | 15.0 | 24.0 |
| Water Seal Test | MPa | 1.6 | 2.5 | 4.0 | 6.4 | 10.0 | 16.0 |
| Air Seal Test | MPa | 0.4–0.7 | 0.4–0.7 | 0.4–0.7 | 0.4–0.7 | 0.4–0.7 | 0.4–0.7 |
| Body / Cover / Disc | Slide Way Bush | Hinge Pin | Sealing Shim | Sealing Face | Suitable Temperature (°C) | Suitable Medium |
|---|---|---|---|---|---|---|
| WCB | WCB | 1Cr13 | Flexible Graphite / Stainless Steel / Acid-proof Asbestos Gasket | 13Cr / STL / Body Material / PTFE / Nylon | ≤425 | Water, Steam, Oil |
| WC6 | WC6 | 1Cr13 | Flexible Graphite / Stainless Steel / Acid-proof Asbestos Gasket | 13Cr / STL / Body Material / PTFE / Nylon | ≤540 | Water, Steam, Oil |
| WC9 | WC9 | 1Cr13 | Flexible Graphite / Stainless Steel / Acid-proof Asbestos Gasket | 13Cr / STL / Body Material / PTFE / Nylon | ≤570 | Water, Steam, Oil |
| ZGCr5Mo | 2GCr5Mo | 1Cr13 | Enhanced Flexible Graphite | 13Cr / STL / Body Material / PTFE / Nylon | ≤550 | Water, Steam, Oil |
| ZG1Cr18Ni9Ti | ZG1Cr18Ni9Ti | 1Cr18Ni9Ti | Flexible Graphite / Stainless Steel / Acid-proof Asbestos Gasket | 13Cr / STL / Body Material / PTFE / Nylon | ≤200 | Nitric Acid |
| ZG1Cr18Ni12Mo2Ti | ZG1Cr18Ni12Mo2Ti | 1Cr18Ni12Mo2Ti | Flexible Graphite / Stainless Steel / Acid-proof Asbestos Gasket | 13Cr / STL / Body Material / PTFE / Nylon | ≤200 | Acetic Acid |

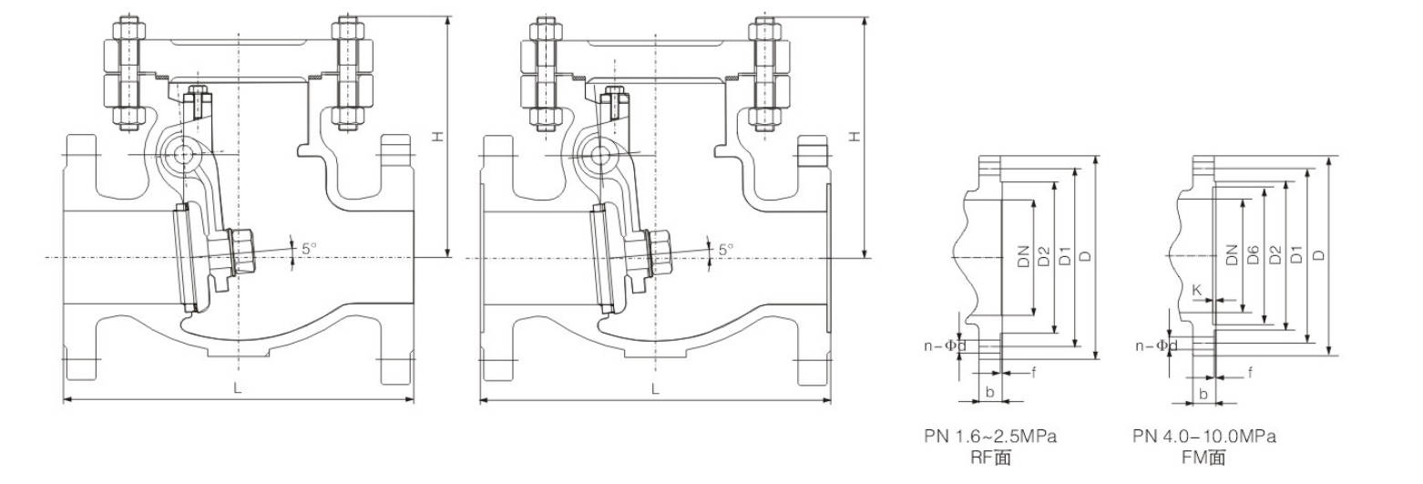
Unit:mm
Type: H44H-16C / H44W-16P / H44Y-16I
| DN | L | D | D1 | D2 | b | n-Φd | H |
|---|---|---|---|---|---|---|---|
| 50 | 230 | 160 | 125 | 100 | 16 | 4-Φ18 | 135 |
| 65 | 290 | 180 | 145 | 120 | 18 | 4-Φ18 | 142 |
| 80 | 310 | 195 | 160 | 135 | 20 | 8-Φ18 | 165 |
| 100 | 350 | 215 | 180 | 155 | 20 | 8-Φ18 | 180 |
| 125 | 400 | 245 | 210 | 185 | 22 | 8-Φ18 | 210 |
| 150 | 480 | 280 | 240 | 210 | 24 | 8-Φ23 | 233 |
| 200 | 550 | 335 | 295 | 265 | 26 | 12-Φ23 | 304 |
| 250 | 650 | 405 | 355 | 320 | 30 | 12-Φ25/26 | 348 |
| 300 | 750 | 460 | 410 | 375 | 30 | 12-Φ25/26 | 390 |
| 350 | 850 | 520 | 470 | 435 | 34 | 16-Φ25/26 | 430 |
| 400 | 950 | 580 | 525 | 485 | 36 | 16-Φ30 | 468 |
| 500 | 1150 | 705 | 650 | 608 | 44 | 20-Φ34 | 525 |
| 600 | 1350 | 840 | 770 | 718 | 48 | 20-Φ36/41 | - |
| 700 | 1450 | 910 | 840 | 788 | 50 | 24-Φ36/41 | - |
| 800 | 1650 | 1020 | 950 | 898 | 52 | 24-Φ41 | - |
Type: H44H-25C / H44W-25P / H44Y-25I
| DN | L | D | D1 | D2 | b | n-Φd | H |
|---|---|---|---|---|---|---|---|
| 50 | 230 | 160 | 125 | 100 | 20 | 4-Φ18 | 160 |
| 65 | 290 | 180 | 145 | 120 | 22 | 8-Φ18 | 175 |
| 80 | 310 | 195 | 160 | 135 | 22 | 8-Φ18 | 185 |
| 100 | 350 | 230 | 190 | 160 | 24 | 8-Φ23 | 220 |
| 125 | 400 | 270 | 220 | 188 | 28 | 8-Φ25/26 | 248 |
| 150 | 480 | 300 | 250 | 218 | 30 | 8-Φ25/26 | 276 |
| 200 | 550 | 360 | 310 | 278 | 34 | 12-Φ25/26 | 350 |
| 250 | 650 | 425 | 370 | 332 | 36 | 12-Φ30 | 410 |
| 300 | 750 | 485 | 430 | 390 | 40 | 16-Φ30 | 430 |
| 350 | 850 | 550 | 490 | 448 | 44 | 16-Φ34/36 | 518 |
| 400 | 950 | 610 | 550 | 505 | 48 | 16-Φ34/36 | 560 |
| 500 | 1150 | 730 | 660 | 610 | 52 | 20-Φ36/41 | 618 |
| 600 | 1350 | 840 | 770 | 718 | 56 | 20-Φ41 | - |
| 700 | 1450 | 955 | 875 | 815 | 60 | 24-Φ42/48 | - |
| 800 | 1650 | 1070 | 990 | 930 | 64 | 24-Φ48 | - |
Type: H44H-40C / H44W-40P / H44Y-40I
| DN | L | D | D1 | D2 | D6 | b | n-Φd | H |
|---|---|---|---|---|---|---|---|---|
| 50 | 230 | 160 | 125 | 100 | 88 | 20 | 4-Φ18 | 160 |
| 65 | 290 | 180 | 145 | 120 | 110 | 22 | 8-Φ18 | 175 |
| 80 | 310 | 195 | 160 | 135 | 121 | 22 | 8-Φ18 | 185 |
| 100 | 350 | 230 | 190 | 160 | 150 | 24 | 8-Φ23 | 220 |
| 125 | 400 | 270 | 220 | 188 | 176 | 28 | 8-Φ25 | 248 |
| 150 | 480 | 300 | 250 | 218 | 204 | 30 | 8-Φ25 | 270 |
| 200 | 550 | 375 | 320 | 282 | 260 | 38 | 12-Φ30 | 350 |
| 250 | 650 | 445 | 385 | 345 | 313 | 42 | 12-Φ34 | 410 |
| 300 | 750 | 510 | 450 | 408 | 364 | 46 | 16-Φ34 | 430 |
| 350 | 850 | 570 | 510 | 465 | 422 | 52 | 16-Φ34 | 518 |
| 400 | 950 | 655 | 585 | 535 | 474 | 58 | 16-Φ41 | 560 |
| 500 | 1150 | 755 | 670 | 612 | 576 | 62 | 20-Φ42 | - |
| 600 | 1350 | 890 | 795 | 730 | 678/676 | 62 | 20-Φ48/54 | - |
Type: H44H-64C / H44W-64P / H44Y-64I
| DN | L | D | D1 | D2 | D6 | b | n-Φd | H |
|---|---|---|---|---|---|---|---|---|
| 50 | 300 | 175 | 135 | 105 | 88 | 26 | 4-Φ23 | 177 |
| 65 | 340 | 200 | 160 | 130 | 110 | 28 | 8-Φ23 | 197 |
| 80 | 380 | 210 | 170 | 140 | 121 | 30 | 8-Φ23 | 212 |
| 100 | 430 | 250 | 200 | 168 | 150 | 32 | 8-Φ25 | 248 |
| 125 | 500 | 295 | 240 | 202 | 176 | 36 | 8-Φ30 | 296 |
| 150 | 550 | 340 | 280 | 240 | 204 | 38 | 8-Φ34 | 330 |
| 200 | 650 | 405 | 345 | 300 | 260 | 44 | 12-Φ34 | 385 |
| 250 | 775 | 470 | 400 | 352 | 313 | 48 | 12-Φ36/41 | 445 |
| 300 | 900 | 530 | 460 | 412 | 364 | 54 | 16-Φ36/41 | 474 |
| 350 | 1025 | 595 | 525 | 475 | 422 | 60 | 16-Φ41 | 514 |
| 400 | 1150 | 670 | 585 | 525 | 474 | 66 | 16-Φ42/48 | 616 |
| 500 | 1400 | 800 | 705 | 640 | 576 | 70 | 20-Φ48/54 | - |
Type: H44H-100C / H44W-100P / H44Y-100I
| DN | L | D | D1 | D2 | D6 | b | n-Φd | H |
|---|---|---|---|---|---|---|---|---|
| 50 | 300 | 195 | 145 | 112 | 88 | 28 | 4-Φ25 | 210 |
| 65 | 340 | 220 | 170 | 138 | 110 | 32 | 8-Φ25 | 227 |
| 80 | 380 | 230 | 180 | 148 | 121 | 34 | 8-Φ25 | 235 |
| 100 | 430 | 265 | 210 | 172 | 150 | 38 | 8-Φ30 | 274 |
| 125 | 500 | 310 | 250 | 210 | 176 | 42 | 8-Φ34 | 307 |
| 150 | 550 | 350 | 290 | 250 | 204 | 46 | 12-Φ34 | 347 |
| 200 | 650 | 430 | 360 | 312 | 260 | 54 | 12-Φ36/41 | 402 |
| 250 | 775 | 500 | 430 | 382 | 313 | 60 | 12-Φ41 | 432 |
| 300 | 900 | 585 | 500 | 442 | 364 | 70 | 16-Φ42/48 | 484 |
| 400 | 1150 | 715 | 620 | 558 | 474 | 80 | 16-Φ48/54 | - |
Step 1: Order and Design
Confirm the customer’s requirements, including size, pressure class, material, flange standard, and applicable design standard.
For the swing check valve, engineers prepare drawings, define the wall thickness, seat structure, disc design, and inspection requirements before production starts.

Step 2: Forging & Casting
Select suitable raw materials such as WCB, stainless steel, or alloy steel according to the order.
The body, bonnet, and disc of the swing check valve are produced by casting or forging, followed by heat treatment if required to ensure proper mechanical properties.

Step 3: Machining
After rough cleaning, all main components are machined, including body flange faces, bonnet connection surfaces, seat area, hinge pin holes, and disc sealing surfaces.
Accurate machining is very important for the swing check valve to ensure smooth disc movement and reliable sealing performance.

Step 4: Assembly
Clean and inspect all finished parts before assembly.
The swing check valve is assembled by installing the seat, disc, hinge arm, hinge pin, bonnet gasket, and bolting parts in the correct order, making sure the disc can open and close freely.

Step 5: Testing & Quality Assurance
Each swing check valve undergoes pressure testing, such as shell test and seat leakage test, according to relevant standards.
At the same time, dimensions, material certificates, appearance, and sealing performance are checked to ensure product quality.

Step 6: Painting and Finishing
After testing is completed, the valve surface is cleaned, painted, and marked with required information such as size, pressure rating, material grade, and heat number.
Finally, the valve ends are protected, and the product is packed for shipment.

The swing check valve is mainly used in various fluid transmission systems that require prevention of reverse flow of media. It plays a significant role in industries such as water conservancy, power, food and beverage, pharmaceuticals, and biology. It ensures that water, steam, pharmaceutical liquids, gases, etc. flow in the prescribed direction, reducing the impact and damage caused by reverse flow to pumps, pipelines, and other equipment. At the same time, it helps to avoid cross-contamination during the production process, ensuring the safety of system operation, the stability of the process flow, and the realization of product quality and hygiene requirements. Therefore, it is an important valve that is widely used in industrial production and fluid control.
These valves are widely used in:

Oil and Gas

Chemical Processing

Power Plants

Water Treatment

Metallurgy and Mining

Agriculture and Irrigation






Superior Quality

Our valves are manufactured using premium materials and undergo rigorous quality testing to ensure reliable performance in demanding industrial applications.
Advanced Technology

Equipped with state-of-the-art CNC machining centers and precision manufacturing equipment, we deliver valves with exceptional accuracy and consistency.
Competitive Pricing

Through optimized manufacturing processes and bulk material procurement, we offer high-quality valves at competitive prices without compromising on quality.
Expert Support

Our experienced technical team provides comprehensive support from product selection to after-sales service, ensuring optimal valve performance for your specific application.
Request a Quote