
As a new product for thermal air duct and air volume adjustment, it embodies the advantages of ball valve and butterfly valve. It uses sheet welded disc to stably and precisely adjust the air volume, making flow characteristic approximately to equal percentage. Range of adjustment is up to 100:1. With the use of axial ring and high structure, pipe can be mounted and driven at any position from top or bottom. Specially designed operating frame is featured by easy operation, high flexibility and accurate positioning. Drive modes include worm and gear driven and electric.
Regulating butterfly valves are used to adjust the flow of medium in industrial gas pipeline, mainly designed to vertical disc type regulating valve and ZAJW automatic regulating butterfly valve.
Application and features: vertical disc type adjusting valve is used to open, close and adjust the flow of medium in the industrial gas pipeline in the fields of cements, building materials, municipal engineering, electric power and etc. It is featured by low fluid resistance, flexible open and close, simple structure, short structure, light weight, easy operation and maintenance.

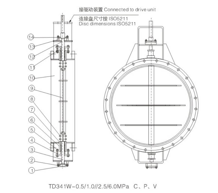
| No. | Part Name | Material | Optional Materials |
|---|---|---|---|
| 1 | Down Bearing Cover | Carbon Steel | Stainless Steel |
| 2 | Bolts | Carbon Steel | Stainless Steel |
| 3 | Down Stem | Stainless Steel | Stainless Steel |
| 4 | Bolts | Carbon Steel | Stainless Steel |
| 5 | Nut | Carbon Steel | Stainless Steel |
| 6 | Packing | Graphite | Graphite |
| 7 | Bushing | Carbon Steel | Stainless Steel |
| 8 | Pin | Stainless Steel | Stainless Steel |
| 9 | Disc | Stainless Steel | Stainless Steel |
| 10 | Body | Carbon Steel | Stainless Steel |
| 11 | Gland | Carbon Steel | Stainless Steel |
| 12 | Up Stem | Stainless Steel | Stainless Steel |
| 13 | Bearing | — | — |
| 14 | Up Bearing Cover | Carbon Steel | Stainless Steel |
| Model | ZTD641W |
|---|---|
| Bore | DN50–4000 mm |
| Pressure | 0.25, 0.6 MPa |
| Type of Connection | Flange Type Connection |
| Dimension Standard | GB |
| Body Material | Carbon steel (WCB), Stainless steel (CF8, CF8M, CF3, CF3M) |
| Seat Material | Metal Sealed (W) |
| Mode of Action | Double-acting / Single-acting type (spring reposition) of pneumatic actuator |
| Control | Switch type, Adjust type, Intelligent |
| Selection of Accessories | Solenoid valve, Locator, Limit switch, F.R.L. combination unit, Manual mechanism |
| Model | ZTD941W |
|---|---|
| Bore | DN50–4000 mm |
| Pressure | 0.25, 0.6 MPa |
| Type of Connection | Flange Type Connection |
| Dimension Standard | GB |
| Body Material | Carbon steel (WCB), Stainless steel (CF8, CF8M, CF3, CF3M) |
| Seat Material | Metal Sealed (W) |
| Mode of Action | Power-on type, Power-off type |
| Control | Switch type, Adjust type, Intelligent |
| Selection of Accessories | Stroke switch, Analog quantity feedback module, Electric control box |

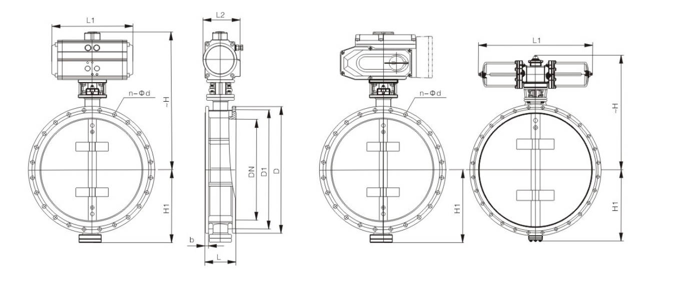
| DN | L1 | L2 | ~H | H1 | L | D | D1 | b | n-Φd | Pneumatic Actuator Model | Electric Actuator Models |
|---|---|---|---|---|---|---|---|---|---|---|---|
| 50 | 145 | 75 | 286 | 70 | 100 | 140 | 110 | 14 | 4-Φ14 | AT052DR | ZT-05 |
| 65 | 145 | 75 | 306 | 80 | 100 | 160 | 130 | 14 | 4-Φ14 | AT052DR | ZT-05 |
| 80 | 145 | 75 | 334 | 95 | 100 | 190 | 150 | 16 | 4-Φ18 | AT052DR | ZT-05 |
| 100 | 169 | 84 | 354 | 105 | 100 | 210 | 170 | 16 | 4-Φ18 | AT063DR | ZT-05 |
| 125 | 169 | 84 | 384 | 120 | 100 | 240 | 200 | 18 | 8-Φ18 | AT063DR | ZT-05 |
| 150 | 201 | 98 | 409 | 132 | 100 | 265 | 225 | 18 | 8-Φ18 | AT075DR | ZT-10 |
| 200 | 209 | 108 | 593 | 160 | 120 | 320 | 280 | 20 | 8-Φ18 | AT083DR | ZT-10 |
| 250 | 242 | 120 | 650 | 187 | 120 | 375 | 335 | 22 | 12-Φ18 | AT092DR | ZT-15 |
| 300 | 275 | 132 | 715 | 220 | 120 | 440 | 395 | 22 | 12-Φ22 | AT105DR | ZT-20 |
| 350 | 275 | 132 | 814 | 245 | 140 | 490 | 445 | 22 | 12-Φ22 | AT105DR | ZT-20 |
| 400 | 332 | 148 | 863 | 270 | 140 | 540 | 495 | 22 | 16-Φ22 | AT125DR | ZT-50 |
| 450 | 332 | 148 | 918 | 297 | 160 | 595 | 550 | 22 | 16-Φ22 | AT125DR | ZT-50 |
| 500 | 385 | 165 | 1016 | 322 | 160 | 645 | 600 | 24 | 20-Φ22 | AT140DR | ZT-100 |
| 600 | 450/750 | 188/210 | 1128 | 377 | 180 | 755 | 705 | 24 | 20-Φ26 | AT160DR/AW13 | ZT-100 |
| 700 | 507/750 | 215/210 | 1233 | 430 | 180 | 860 | 810 | 24 | 24-Φ26 | AT190DR/AW13 | ZT-200 |
| 800 | 507/900 | 215/275 | 1344 | 487 | 200 | 975 | 920 | 24 | 24-Φ30 | AT190DR/AW17 | ZT-200 |
| 900 | 507/900 | 215/275 | 1560 | 537 | 200 | 1075 | 1020 | 26 | 24-Φ30 | AT190DR/AW17 | ZT-200 |
| 1000 | 507/900 | 215/275 | 1660 | 587 | 220 | 1175 | 1120 | 26 | 28-Φ30 | AT190DR/AW17 | ZT-200 |
| 1200 | 507/900 | 215/275 | 1890 | 687 | 240 | 1405 | 1340 | 28 | 32-Φ33 | AT190DR/AW17 | ZT-200 |
| 1400 | 562/900 | 235/275 | 2670 | 760 | 260 | 1630 | 1560 | 32 | 36-Φ36 | AT210DR/AW17 | ZT-200 |
| 1600 | 646/900 | 272/275 | 2810 | 895 | 280 | 1830 | 1760 | 34 | 40-Φ36 | AT240DR/AW17 | ZMQ300 |
| 1800 | 646/1180 | 272/365 | 3020 | 995 | 300 | 2045 | 1970 | 36 | 44-Φ39 | AT240DR/AW20 | ZMQ300 |
| 2000 | 722/1800 | 305/365 | 3220 | 1095 | 320 | 2265 | 2180 | 38 | 48-Φ42 | AT270DR/AW20 | ZMQ400 |
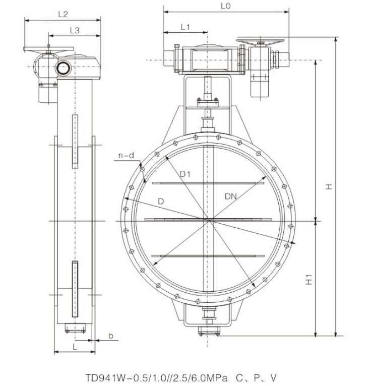
This valve is a dependable adjusting and cutoff device mainly used in the ventilating and dedusting pipeline in the industries of building materials, chemical, energy sources and environmental protection etc.
This valve is featured by compact structure, small volume, light weight, outstanding seal, little leakage, remote control and spot operation.
Nominal pressure:
0.1MPa ~ 1MPa (DN200 ~ 2000)
0.01MPa ~ 1MPa (DN2200 ~ 3000)
0.005MPa ~ 1MPa (DN3200 ~ 5350)
Applicable medium: air and dusty smoke gas
Applicable temperature: ≤300℃ ~ 1200℃

| DN | L | D | D1 | b | n-d | H | H1 | H2 | L0 | L1 | L2 | L3 | Weight (kg) |
|---|---|---|---|---|---|---|---|---|---|---|---|---|---|
| 200 | 140 | 320 | 280 | 16 | 8-17.5 | 917 | 530 | 225 | 300 | 140 | 363 | 223 | 70 |
| 250 | 140 | 375 | 335 | 16 | 12-17.5 | 967 | 550 | 250 | 300 | 140 | 363 | 223 | 81 |
| 300 | 170 | 440 | 395 | 16 | 12-22 | 1027 | 610 | 280 | 300 | 140 | 363 | 223 | 89 |
| 350 | 170 | 490 | 445 | 16 | 12-22 | 1166 | 635 | 320 | 355 | 160 | 460 | 300 | 167 |
| 400 | 190 | 540 | 495 | 16 | 16-22 | 1216 | 670 | 345 | 355 | 160 | 460 | 300 | 176 |
| 450 | 190 | 595 | 550 | 16 | 16-22 | 1276 | 685 | 375 | 355 | 160 | 460 | 300 | 189 |
| 500 | 190 | 645 | 600 | 20 | 20-22 | 1316 | 700 | 395 | 355 | 160 | 460 | 300 | 202 |
| 600 | 210 | 755 | 705 | 20 | 20-26 | 1432 | 752 | 466 | 795 | 160 | 684 | 215 | 351 |
| 700 | 210 | 860 | 810 | 20 | 24-26 | 1532 | 802 | 516 | 795 | 160 | 684 | 215 | 376 |
| 800 | 210 | 975 | 920 | 20 | 24-30 | 1656 | 852 | 580 | 795 | 160 | 684 | 215 | 463 |
| 900 | 250 | 1075 | 1020 | 20 | 24-30 | 1756 | 902 | 630 | 795 | 160 | 684 | 215 | 506 |
| 1000 | 250 | 1175 | 1120 | 20 | 28-30 | 1878 | 962 | 695 | 880 | 195 | 738 | 290 | 603 |
| 1200 | 250 | 1375 | 1320 | 20 | 32-30 | 2070 | 1035 | 795 | 865 | 195 | 738 | 290 | 750 |
| 1400 | 300 | 1575 | 1520 | 20 | 36-30 | 2350 | 1195 | 915 | 890 | 250 | 701 | 330 | 1213 |
| 1600 | 300 | 1790 | 1730 | 24 | 40-30 | 2550 | 1295 | 1015 | 890 | 250 | 701 | 330 | 1403 |
| 1800 | 300 | 1900 | 1930 | 24 | 44-30 | 2750 | 1395 | 1115 | 890 | 250 | 701 | 330 | 1710 |
| 2000 | 300 | 2190 | 2130 | 24 | 48-30 | 2950 | 1495 | 1215 | 890 | 250 | 701 | 330 | 1869 |
| 2200 | 350 | 2405 | 2340 | 24 | 52-33 | 3750 | 1883 | 1642 | 1060 | 303 | 840 | 360 | 2650 |
| 2400 | 350 | 2605 | 2540 | 24 | 56-33 | 3950 | 1983 | 1742 | 1060 | 303 | 840 | 360 | 2880 |
| 2600 | 350 | 2805 | 2740 | 28 | 60-36 | 4150 | 2083 | 1842 | 1060 | 303 | 840 | 360 | 3396 |
| 2800 | 400 | 3030 | 2960 | 28 | 64-36 | 4490 | 2290 | 1980 | 1245 | 385 | 860 | 360 | 3978 |
| 3000 | 400 | 3230 | 3160 | 28 | 68-36 | 4690 | 2390 | 2080 | 1245 | 385 | 860 | 360 | 4495 |
| 3200 | 450 | 3430 | 3360 | 32 | 72-36 | 4990 | 2490 | 2135 | 1430 | 468 | 870 | 390 | 7250 |
| 3400 | 500 | 3630 | 3560 | 32 | 76-36 | 5190 | 2590 | 2235 | 1430 | 468 | 870 | 390 | 8500 |
| 3600 | 550 | 3840 | 3770 | 32 | 80-36 | 5390 | 2690 | 2335 | 1430 | 468 | 870 | 390 | 9490 |
| 3800 | 600 | 4045 | 3970 | 34 | 80-39 | 5605 | 2800 | 2440 | 1650 | 468 | 1080 | 450 | 10500 |
| 4000 | 600 | 4245 | 4170 | 34 | 84-39 | 5805 | 2900 | 2540 | 1650 | 468 | 1080 | 450 | 11660 |
| 4200 | 600 | 4460 | 4380 | 38 | 88-39 | 6030 | 3000 | 2640 | 1840 | 510 | 1080 | 450 | 12890 |
| 4500 | 700 | 4800 | 4700 | 40 | 96-39 | 6390 | 3200 | 2800 | 1840 | 510 | 1245 | 510 | 15910 |
| 4600 | 700 | 4900 | 4800 | 44 | 100-39 | 6780 | 3350 | 2940 | 1840 | 510 | 1245 | 510 | 17680 |
| 4800 | 800 | 5150 | 5040 | 44 | 104-39 | 7080 | 3450 | 3040 | 1840 | 510 | 1908 | 510 | 19640 |
| 4850 | 1200 | 5305 | 5200 | 48 | 108-39 | 7760 | 3600 | 3120 | 1900 | 510 | 1908 | 560 | 30226 |
| 5350 | 1600 | 5800 | 5690 | 50 | 116-39 | 7875 | 3765 | 3730 | 1908 | 560 | 1908 | 780 | 26950 |
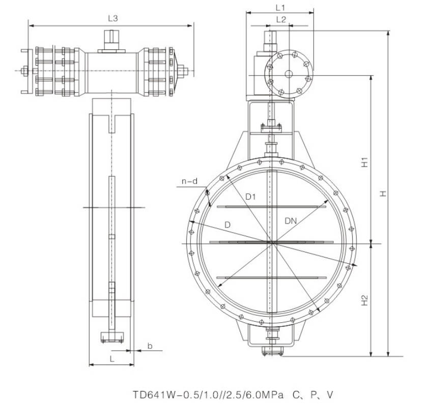
This valve is a dependable adjusting and cutoff device mainly used in the ventilating and dedusting pipeline in the industries of building materials, chemical, energy sources and environmental protection etc.
This valve is featured by compact structure, small volume, light weight, outstanding seal, little leakage, remote control and spot operation.

| DN | L | D | D1 | b | n-d | H | H1 | H2 | L1 | L2 | L3 | Weight (kg) |
|---|---|---|---|---|---|---|---|---|---|---|---|---|
| 200 | 140 | 320 | 280 | 16 | 8-17.5 | 721 | 415 | 225 | 220 | 70 | 450 | 68 |
| 250 | 140 | 375 | 335 | 16 | 12-17.5 | 771 | 440 | 250 | 220 | 70 | 450 | 78 |
| 300 | 170 | 440 | 395 | 16 | 12-22 | 832 | 470 | 280 | 220 | 70 | 450 | 86 |
| 350 | 170 | 490 | 445 | 16 | 12-22 | 981 | 515 | 320 | 280 | 100 | 650 | 150 |
| 400 | 190 | 540 | 495 | 16 | 16-22 | 1031 | 545 | 345 | 280 | 100 | 650 | 160 |
| 450 | 190 | 595 | 550 | 16 | 16-22 | 1091 | 570 | 375 | 280 | 100 | 650 | 174 |
| 500 | 190 | 645 | 600 | 20 | 20-22 | 1131 | 590 | 395 | 280 | 100 | 650 | 187 |
| 600 | 210 | 755 | 705 | 20 | 20-26 | 1322 | 716 | 466 | 380 | 120 | 1250 | 302 |
| 700 | 210 | 860 | 810 | 20 | 24-26 | 1422 | 766 | 516 | 380 | 120 | 1250 | 407 |
| 800 | 210 | 975 | 920 | 20 | 24-30 | 1565 | 830 | 585 | 260 | 120 | 1250 | 517 |
| 900 | 250 | 1075 | 1020 | 20 | 24-30 | 1615 | 880 | 635 | 260 | 120 | 1250 | 560 |
| 1000 | 250 | 1175 | 1120 | 20 | 28-30 | 1790 | 950 | 695 | 580 | 290 | 1500 | 600 |
| 1200 | 250 | 1375 | 1320 | 20 | 32-30 | 1990 | 1050 | 795 | 580 | 290 | 1500 | 750 |
| 1400 | 300 | 1575 | 1520 | 20 | 36-30 | 2170 | 1105 | 915 | 580 | 290 | 1500 | 980 |
| 1600 | 300 | 1790 | 1730 | 24 | 40-30 | 2370 | 1205 | 1015 | 580 | 290 | 1500 | 1290 |
Step 1: Order and Design
Based on the dimensions, pressure grade, connection method and operating conditions provided by the customer, the structural plan, material selection and drawing design of the ventilation butterfly valve are confirmed to ensure that the product meets the usage requirements of the ventilation system.

Step 2: Forging & Casting
The main components such as the valve body and valve plate are cast or formed according to the design requirements. For the ventilation butterfly valve, the key points are to ensure the dimensional accuracy of the valve body, the reasonable structure of the flow channel, and the stability of the material properties.

Step 3: Machining
The valve body, valve stem, valve plate and connection parts are subjected to precise machining, including processes such as turning, drilling, boring and sealing surface treatment, to ensure the assembly accuracy and opening/closing flexibility of the ventilation butterfly valve.

Step 4: Assembly
Assemble the valve body, valve plate, valve stem, sealing components and actuator, adjust the opening and closing angle and the transmission fit, to ensure that the ventilation butterfly valve operates smoothly and functions reliably.

Step 5: Testing & Quality Assurance
After assembly is completed, the product undergoes appearance inspection, size verification, operation test and sealing performance check to ensure that each ventilation butterfly valve meets the factory quality standards.

Step 6: Painting and Finishing
After the product passes the inspection, it undergoes surface rust removal, spraying, anti-corrosion treatment and final finishing to enhance the appearance quality and corrosion resistance of the valve. Finally, it is packaged and dispatched for shipment.

The ventilation butterfly valve is an important control device in the ventilation system, mainly used to regulate air flow and pressure, ensuring the stable operation of the system. It has the advantages of simple structure, fast response, high control efficiency, low air resistance and good sealing performance. It can help the ventilation system better adapt to different requirements such as air quality, temperature and humidity, while reducing energy consumption and operating costs. However, the ventilation butterfly valve has limited applicability in high-temperature or corrosive environments. When selecting it, specific working conditions need to be considered comprehensively.
These valves are widely used in:

Oil and Gas

Chemical Processing

Power Plants

Water Treatment

Metallurgy and Mining

Agriculture and Irrigation






Superior Quality

Our valves are manufactured using premium materials and undergo rigorous quality testing to ensure reliable performance in demanding industrial applications.
Advanced Technology

Equipped with state-of-the-art CNC machining centers and precision manufacturing equipment, we deliver valves with exceptional accuracy and consistency.
Competitive Pricing

Through optimized manufacturing processes and bulk material procurement, we offer high-quality valves at competitive prices without compromising on quality.
Expert Support

Our experienced technical team provides comprehensive support from product selection to after-sales service, ensuring optimal valve performance for your specific application.
Request a Quote