
Triple offset butterfly valves feature a metal-to-metal seal, making them suitable for high-pressure and high-temperature critical applications.
Triple Offset Butterfly Valve Series are designed by Tri-Eccentric Principle, having flexible seat and laminated seat structure, without mechanical wear during opening and closing process. The valves are mainly used for isolating, regulating or connecting flow in Oil, Chemical, Metallurgy, Electric Power, Food, Medicine, Water Supply and Drainage, Gas Transportation etc. pipes of different medium.
This kind of butterfly valve is new and superior product, which introduced technology from abroad, and combine domestic and overseas user's requirements and experience accumulation from production.
It adopt three-dimension eccentric configuration
Particular configuration, operation skillful, labor-saving, convenient, and long service life.
High temperature resistant, antisepsis, wearable of three-dimension eccentricity.

| Nominal Pressure | PN (MPa) | 0.6 | 1.0 | 1.6 | 2.5 | 4.0 |
|---|---|---|---|---|---|---|
| Shell Test | MPa | 0.9 | 1.5 | 2.4 | 3.75 | 6.0 |
| Seal Test | MPa | 0.66 | 1.1 | 1.76 | 2.75 | 4.4 |
| Gas Seal Test | MPa | 0.6 | 0.6 | 0.6 | 0.6 | 0.6 |
| Design Standard | GB/T12238-1989, GB9115.6~11-1989 (or as specified by user) |
|---|---|
| Structure Length | GB/T12221-1989, GB/T15188.2-1994 |
| Pressure Test | GB/T13927-1992, JB/T9092-1999 |

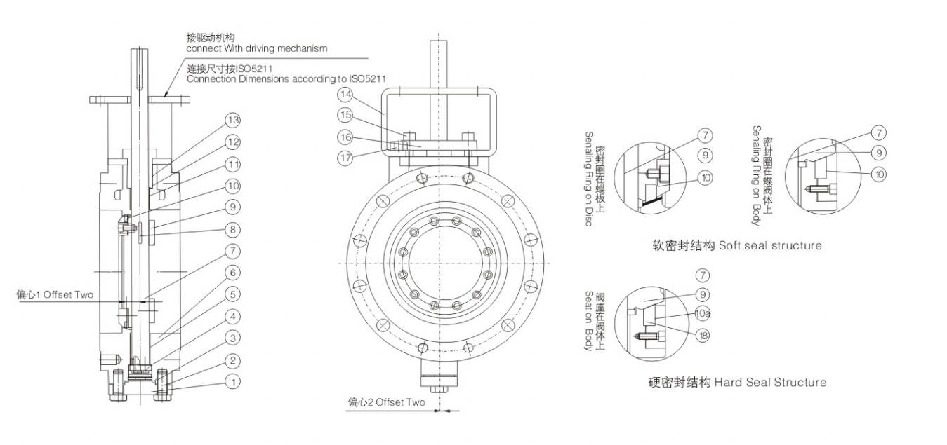
| No. | Part Name | Material | Optional Materials |
|---|---|---|---|
| 1 | Cover | Carbon Steel | Stainless Steel, Monel |
| 2 | Bolt | Alloy Steel | Stainless Steel, Monel |
| 3 | Gasket | Graphite | — |
| 4 | Spacer | Stainless Steel | Stainless Steel, Monel |
| 5 | Bushing (Lower) | PTFE + Bronze | Lubricated Bronze |
| 6 | Body | Cast Steel | Stainless Steel, Monel |
| 7 | Stem | Stainless Steel | Stainless Steel, Monel |
| 8 | Key | Stainless Steel | Stainless Steel, Monel |
| 9 | Disc | Cast Steel | Stainless Steel, Monel |
| 10 | Seal Ring | PTFE / PTFE + SS | MBR / SS + Graphite |
| 10a | Seat | Carbon Steel + 13Cr | Stainless Steel, Monel |
| 11 | Bushing (Upper) | PTFE + Bronze | Lubricated Bronze |
| 12 | Packing Seat | Stainless Steel | Stainless Steel, Monel |
| 13 | Packing | Graphite | PTFE |
| 14 | Yoke | Carbon Steel | — |
| 15 | Bolt | Alloy Steel | Stainless Steel, Monel |
| 16 | Gland | Carbon Steel | Stainless Steel |
| 17 | Bolt | Alloy Steel | Stainless Steel, Monel |
| 18 | Gasket | Graphite | — |
| Design Basis | GB Standard | ANSI Standard |
|---|---|---|
| Design Standard | GB/T 12238 | API 609 |
| Face To Face Dimension (Wafer Connecting) | GB/T 12221 | ANSI B16.10 |
| Connecting Flange Size | GB/T 9113, JB/T 79 | ANSI B16.5, ANSI B16.47 |
| Test & Inspection | JB/T 9092 | API 598 |
| Name of Parts | C Material | P Material | R Material |
|---|---|---|---|
| Inner Hexagon Screw | 1Cr18Ni9Ti | 1Cr18Ni9Ti | 1Cr18Ni12Mo2Ti |
| Bonnet | WCB | 1Cr18Ni9Ti | ZG1Cr18Ni12Mo2Ti |
| Gasket | 1Cr18Ni9Ti | 1Cr18Ni9Ti | 1Cr18Ni12Mo2Ti |
| Seat | Stainless Steel + Graphite, PTFE | Stainless Steel + Graphite, PTFE | Stainless Steel + Graphite, PTFE |
| Gasket | 1Cr18Ni9Ti | 1Cr18Ni9Ti | 1Cr18Ni12Mo2Ti |
| Butterfly Plate | WCB | ZG1Cr18Ni9Ti | ZG1Cr18Ni12Mo2Ti |
| Straight Pin | 45 | 1Cr18Ni9Ti | 1Cr18Ni12Mo2Ti |
| Bottom Cover | WCB | ZG1Cr18Ni9Ti | ZG1Cr18Ni12Mo2Ti |
| Gasket | Stainless Steel + Graphite, PTFE | Stainless Steel + Graphite, PTFE | Stainless Steel + Graphite, PTFE |
| Bushing | PTFE, Composite Bearings | PTFE, Composite Bearings | PTFE, Composite Bearings |
| Body | WCB | ZG1Cr18Ni9Ti | ZG1Cr18Ni12Mo2Ti |
| Stem | 1Cr13 | 1Cr18Ni9Ti | 1Cr18Ni12Mo2Ti |
| Yoke | WCB | WCB | WCB |
| Key | 45 | 45 | 45 |
| Bushing | PTFE, Composite Bearings | PTFE, Composite Bearings | PTFE, Composite Bearings |
| Packing | Graphite, PTFE | Graphite, PTFE | Graphite, PTFE |
| Gland | WCB | ZG1Cr18Ni9Ti | ZG1Cr18Ni12Mo2Ti |
| Pneumatic Actuator | AT Series, AW Series, BW Series | AT Series, AW Series, BW Series | AT Series, AW Series, BW Series |
| Model | ZTD63H (F, Y) |
|---|---|
| Bore | DN50 ~ 1200 mm |
| Pressure | 0.6, 1.0, 1.6, 2.5, 4.0 MPa; 150Lb, 300Lb |
| Type of Connection | Flange Type Connection |
| Dimension Standard | GB, American Standard |
| Body Material | Carbon Steel (WCB), Stainless Steel (CF8, CF8M, CF3, CF3M) |
| Seat Material | Metal Sealed (H, Y), PTFE (F) |
| Mode of Action | Double-acting, Single-acting type (spring reposition) |
| Control | Switch type, Adjust type, Intelligent |
| Selection of Accessories | Solenoid valve, Locator, Limit switch, F.R.L Combination Unit, Manual Device |
| Model | ZTD93H (F, Y) |
|---|---|
| Bore | DN50 ~ 1200 mm |
| Pressure | 0.6, 1.0, 1.6, 2.5, 4.0 MPa; 150Lb, 300Lb |
| Type of Connection | Flange Type Connection |
| Dimension Standard | GB, American Standard |
| Body Material | Carbon Steel (WCB), Stainless Steel (CF8, CF8M, CF3, CF3M) |
| Seat Material | Metal Sealed (H, Y), PTFE (F) |
| Mode of Action | Power on type, power off type |
| Control | Switch type, Adjust type, Intelligent |
| Selection of Accessories | Stroke switch, analog quantity feedback module, electric control box |

ZTD643H(F/Y)-PN16(1.6MPa)
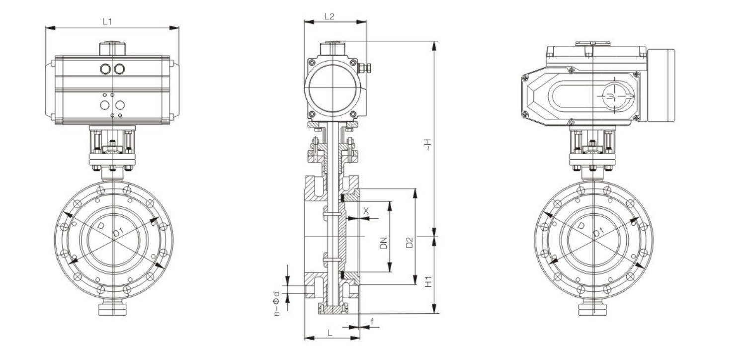
| DN | L | L1 | L2 | ~H | H1 | D | D1 | D2 | f | n-Φd | Pneumatic Actuator Model | Electric Actuator Models |
|---|---|---|---|---|---|---|---|---|---|---|---|---|
| 50 | 108 | 165/165 | 84/84 | 277/205 | 88 | 165 | 125 | 99 | 3 | 4-Φ18 | AT063DR / AT063SC | ZT-05 |
| 65 | 112 | 165/201 | 84/98 | 287/315 | 103 | 185 | 145 | 118 | 3 | 4-Φ18 | AT063DR / AT075SC | ZT-10 |
| 80 | 114 | 201/209 | 98/108 | 365/375 | 114 | 200 | 160 | 132 | 3 | 8-Φ18 | AT075DR / AT083SC | ZT-10 |
| 100 | 127 | 209/242 | 108/120 | 420/436 | 128 | 220 | 180 | 156 | 3 | 8-Φ18 | AT083DR / AT092SC | ZT-15 |
| 125 | 140 | 275/332 | 132/148 | 436/462 | 148 | 250 | 210 | 184 | 3 | 8-Φ18 | AT105DR / AT125SC | ZT-50 |
| 150 | 140 | 332/385 | 148/165 | 466/543 | 170 | 285 | 240 | 211 | 3 | 8-Φ22 | AT125DR / AT140SC | ZT-50 |
| 200 | 152 | 385/450 | 165/188 | 593/665 | 188 | 340 | 295 | 266 | 3 | 12-Φ22 | AT140DR / AT160SC | ZT-100 |
| 250 | 165 | 450/507 | 188/215 | 682/752 | 235 | 405 | 355 | 319 | 3 | 12-Φ26 | AT160DR / AT190SC | ZT-100 |
| 300 | 178 | 507/562 | 215/235 | 725/772 | 265 | 460 | 410 | 370 | 4 | 12-Φ26 | AT190DR / AT210SC | ZT-200 |
| 350 | 190 | 562/646 | 235/272 | 832/880 | 280 | 520 | 470 | 429 | 4 | 16-Φ26 | AT210DR / AT240SC | ZMQ-300 |
| 400 | 216 | 646/722 | 272/305 | 862/968 | 335 | 580 | 525 | 480 | 4 | 16-Φ30 | AT240DR / AT270SC | ZMQ-300 |
| 450 | 222 | 646/1700 | 272/440 | 945/1005 | 380 | 640 | 585 | 548 | 4 | 20-Φ30 | AT270DR / AT350SC | ZMQ-400 |
| 500 | 229 | 722/1700 | 305/440 | 1058/1060 | 410 | 715 | 650 | 609 | 4 | 20-Φ33 | AT300DR / AW28S | ZMQ-500 |
| 600 | 267 | 1180/1700 | 440/480 | 1108/1195 | 460 | 840 | 770 | 720 | 5 | 20-Φ36 | AT350DR / AW28S | ZDQ-800 |
| 700 | 292 | 1320/1970 | 480/560 | 1170/1255 | 490 | 910 | 840 | 794 | 5 | 24-Φ36 | AT400DR / AW35S | ZDQ-800 |
| 800 | 318 | 1430/2700 | 480/560 | 1325/1365 | 590 | 1025 | 950 | 901 | 5 | 24-Φ39 | AW28 / AW40S | ZDQ-1000 |
ZTD643H(F/Y)-PN25(2.5MPa)
| DN | L | L1 | L2 | ~H | H1 | D | D1 | D2 | f | n-Φd | Pneumatic Actuator Model | Electric Actuator Models |
|---|---|---|---|---|---|---|---|---|---|---|---|---|
| 50 | 108 | 145/201 | 84/98 | 277/305 | 85 | 165 | 125 | 99 | 3 | 4-Φ18 | AT063DR / AT075SC | ZT-10 |
| 65 | 112 | 145/209 | 84/108 | 287/325 | 95 | 185 | 145 | 118 | 3 | 8-Φ18 | AT063DR / AT083SC | ZT-10 |
| 80 | 114 | 209/242 | 108/120 | 365/391 | 106 | 200 | 160 | 132 | 3 | 8-Φ18 | AT083DR / AT092SC | ZT-10 |
| 100 | 127 | 242/275 | 120/132 | 420/457 | 135 | 235 | 190 | 156 | 3 | 8-Φ22 | AT092DR / AT0105SC | ZT-20 |
| 125 | 140 | 275/332 | 132/148 | 436/462 | 160 | 270 | 220 | 184 | 3 | 8-Φ26 | AT105DR / AT125SC | ZT-50 |
| 150 | 140 | 385/450 | 165/188 | 466/543 | 180 | 300 | 250 | 211 | 3 | 8-Φ26 | AT140DR / AT160SC | ZT-100 |
| 200 | 152 | 450/507 | 188/215 | 593/665 | 202 | 360 | 310 | 274 | 3 | 12-Φ26 | AT160DR / AT190SO | ZT-100 |
| 250 | 165 | 507/562 | 215/235 | 682/752 | 255 | 420 | 370 | 330 | 3 | 12-Φ30 | AT190DR / AT210SC | ZT-200 |
| 300 | 178 | 562/646 | 235/272 | 702/820 | 278 | 485 | 430 | 389 | 4 | 16-Φ30 | AT210DR / AT240SC | ZT-200 |
| 350 | 190 | 646/722 | 272/305 | 832/938 | 295 | 555 | 490 | 448 | 4 | 16-Φ33 | AT240DR / AT270SC | ZMQ-300 |
| 400 | 216 | 646/1700 | 272/440 | 910/968 | 345 | 620 | 550 | 503 | 4 | 16-Φ36 | AT270DR / AT350SC | ZMQ-400 |
| 450 | 222 | 722/1700 | 305/440 | 1005/1010 | 395 | 670 | 600 | 548 | 4 | 20-Φ36 | AT300DR / AT400SC | ZMQ-500 |
| 500 | 229 | 722/1700 | 305/440 | 1058/1065 | 435 | 730 | 660 | 609 | 4 | 20-Φ36 | AT350DR / AW25S | ZDQ-600 |
| 600 | 267 | 1320/1970 | 440/480 | 1110/1195 | 580 | 845 | 770 | 720 | 4 | 20-Φ39 | AT400DR / AW35S | ZDQ-1000 |
| 700 | 292 | 1320/2700 | 480/560 | 1255/1295 | 515 | 960 | 875 | 820 | 5 | 24-Φ42 | AW35 / AW50S | ZDQ-1600 |
| 800 | 318 | 1950/2700 | 560/580 | 1325/1365 | 610 | 1085 | 990 | 928 | 5 | 24-Φ48 | AW35 / AW50S | ZDQ-2000 |
ZTD643H(F/Y)-PN40(4.0MPa)
| DN | L | L1 | L2 | H | H1 | D | D1 | D2 | f | D3 × X | n-Φd | Pneumatic Actuator Model | Electric Actuator Models |
|---|---|---|---|---|---|---|---|---|---|---|---|---|---|
| 50 | 108 | 201/209 | 98/108 | 277/305 | 105 | 165 | 125 | 99 | 3 | 88×4 | 4-Φ18 | AT075DR / AT083SC | ZT-10 |
| 65 | 112 | 201/242 | 98/120 | 310/341 | 115 | 185 | 145 | 118 | 3 | 110×4 | 8-Φ18 | AT075DR / AT092SC | ZT-15 |
| 80 | 114 | 209/275 | 108/132 | 375/412 | 125 | 200 | 160 | 132 | 3 | 121×4 | 8-Φ18 | AT083DR / AT105SC | ZT-15 |
| 100 | 127 | 275/332 | 132/148 | 436/462 | 140 | 235 | 190 | 156 | 3 | 150×4.5 | 8-Φ22 | AT105DR / AT125SC | ZT-20 |
| 125 | 140 | 332/450 | 148/188 | 462/513 | 160 | 270 | 220 | 184 | 3 | 176×4.5 | 8-Φ26 | AT125DR / AT160SC | ZT-50 |
| 150 | 140 | 450/562 | 188/235 | 543/615 | 176 | 300 | 250 | 211 | 3 | 204×4.5 | 8-Φ26 | AT160DR / AT210SC | ZT-100 |
| 200 | 152 | 507/646 | 215/272 | 665/760 | 206 | 375 | 320 | 284 | 3 | 260×4.5 | 12-Φ30 | AT190DR / AT240SC | ZT-300 |
| 250 | 165 | 562/646 | 235/272 | 752/858 | 270 | 450 | 385 | 315 | 3 | 313×4.5 | 12-Φ33 | AT210DR / AT240SC | ZT-200 |
| 300 | 178 | 646/722 | 272/305 | 820/880 | 295 | 515 | 450 | 409 | 4 | 364×4.5 | 16-Φ33 | AT240DR / AT270SC | ZMQ-300 |
| 350 | 190 | 722/1700 | 305/440 | 938/940 | 320 | 580 | 510 | 465 | 4 | 422×5 | 16-Φ36 | AT300DR / AT350SC | ZMQ-400 |
| 400 | 216 | 1180/1700 | 365/440 | 970/1055 | 370 | 660 | 585 | 535 | 4 | 474×5 | 16-Φ39 | AT350DR / AT400SC | ZDQ-600 |
| 450 | 222 | 1180/1970 | 440/480 | 1005/1090 | 420 | 685 | 610 | 560 | 4 | 524×5 | 20-Φ39 | AT400DR / AW28S | ZDQ-800 |
| 500 | 229 | 1320/1970 | 440/480 | 1145/1185 | 465 | 755 | 670 | 615 | 4 | 576×5 | 20-Φ42 | AT400DR / AW35S | ZDQ-1000 |
| 600 | 267 | 1970/2700 | 480/560 | 1195/1235 | 510 | 890 | 795 | 735 | 5 | 676×5 | 20-Φ48 | AW35 / AW50S | ZDQ-1600 |
| Item | GB Standard | ANSI Standard |
|---|---|---|
| Design Basis | GB Standard | ANSI Standard |
| Design Standard | GB/T 12238 | API 609 |
| Face To Face Dimension (Wafer Connecting) | GB/T 12221 | ANSI B16.10 |
| Connecting Flange Size | GB/T 9113, JB/T 79 | ANSI B16.5 (2″–24″), ANSI B16.47 (26″–32″) |
| Test & Inspection | JB/T 9092 | API 598 |
| Name of Parts | C | P | R |
|---|---|---|---|
| Inner Hexagon Screw | 1Cr18Ni9Ti | 1Cr18Ni9Ti | 1Cr18Ni12Mo2Ti |
| Bonnet | WCB | 1Cr18Ni9Ti | ZG1Cr18Ni12Mo2Ti |
| Gasket | 1Cr18Ni9Ti | 1Cr18Ni9Ti | 1Cr18Ni12Mo2Ti |
| Seat | Stainless Steel + Graphite, PTFE | Stainless Steel + Graphite, PTFE | Stainless Steel + Graphite, PTFE |
| Gasket | 1Cr18Ni9Ti | 1Cr18Ni9Ti | 1Cr18Ni12Mo2Ti |
| Butterfly Plate | WCB | ZG1Cr18Ni9Ti | ZG1Cr18Ni12Mo2Ti |
| Straight Pin | 45 | 1Cr18Ni9Ti | 1Cr18Ni12Mo2Ti |
| Bottom Cover | WCB | ZG1Cr18Ni9Ti | ZG1Cr18Ni12Mo2Ti |
| Gasket | Stainless Steel + Graphite, PTFE | Stainless Steel + Graphite, PTFE | Stainless Steel + Graphite, PTFE |
| Bushing | PTFE Composite Bearings | PTFE Composite Bearings | PTFE Composite Bearings |
| Body | WCB | ZG1Cr18Ni9Ti | ZG1Cr18Ni12Mo2Ti |
| Stem | 1Cr13 | 1Cr18Ni9Ti | 1Cr18Ni12Mo2Ti |
| Yoke | WCB | WCB | WCB |
| Key | 45 | 45 | 45 |
| Bushing | PTFE, Composite Bearings | PTFE, Composite Bearings | PTFE, Composite Bearings |
| Packing | Graphite, PTFE | Graphite, PTFE | Graphite, PTFE |
| Gland | WCB | ZG1Cr18Ni9Ti | ZG1Cr18Ni12Mo2Ti |
| Pneumatic Actuator | AT Series, AW Series | AT Series, AW Series | AT Series, AW Series |
| Location Indicator | Plastic | Plastic | Plastic |
| Item | Specification |
|---|---|
| Model | ZTD673H(F, Y) |
| Bore | DN40 ~ 1200 mm |
| Pressure | 0.6, 1.0, 1.6, 2.5, 4.0 MPa; 150Lb, 300Lb |
| Type of Connection | Wafer type connecting |
| Dimension Standard | GB, American Standard |
| Body Material | Cast iron, Carbon steel (WCB), Stainless steel (CF8, CF8M, CF3, CF3M) |
| Seat Material | Metal seal (H, Y), PTFE |
| Mode of Action | Double-acting, Single-acting type (spring reposition) |
| Control | Switch type, Adjust type, Intelligent |
| Selection of Accessories | Solenoid valve, Locator, Limit switch, F.R.L. combination unit, Manual device |
| Item | Specification |
|---|---|
| Model | ZTD973H(F, Y) |
| Bore | DN40 ~ 1200 mm |
| Pressure | 0.6, 1.0, 1.6, 2.5, 4.0 MPa; 150Lb, 300Lb |
| Structure | Wafer type connecting |
| Dimension Standard | GB, American Standard |
| Body Material | Cast iron, Carbon steel (WCB), Stainless steel (CF8, CF8M, CF3, CF3M) |
| Seat Material | Metal seal (H, Y), PTFE |
| Mode of Action | Power-on type, Power-off type |
| Control | Switch type, Adjust type, Intelligent |
| Selection of Accessories | Stroke switch, Analog quantity feedback module, Electric control box |

ZTD673H(F/Y)-PN16(1.6MPa)
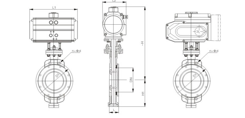
| DN | L | L1 | L2 | ~H | H1 | D1 | n-Φd | Pneumatic Actuator Model | Electric Actuator Models |
|---|---|---|---|---|---|---|---|---|---|
| 50 | 43 | 165/165 | 84/84 | 277/205 | 85 | 125 | 4-Φ18 | AT063DR/AT063SC | ZT-05 |
| 65 | 46 | 165/201 | 84/98 | 287/315 | 95 | 145 | 4-Φ18 | AT063DR/AT075SC | ZT-10 |
| 80 | 49 | 201/209 | 98/108 | 365/375 | 110 | 160 | 8-Φ18 | AT075DR/AT083SC | ZT-10 |
| 100 | 52 | 209/242 | 108/120 | 420/436 | 122 | 180 | 8-Φ18 | AT083DR/AT092SC | ZT-15 |
| 125 | 56 | 275/332 | 132/148 | 436/462 | 138 | 210 | 8-Φ18 | AT105DR/AT125SC | ZT-50 |
| 150 | 56 | 332/385 | 148/165 | 466/543 | 158 | 240 | 8-Φ22 | AT125DR/AT140SC | ZT-50 |
| 200 | 60 | 385/450 | 165/188 | 593/665 | 188 | 295 | 12-Φ22 | AT140DR/AT160SC | ZT-100 |
| 250 | 68 | 450/507 | 188/215 | 682/752 | 224 | 355 | 12-Φ26 | AT160DR/AT190SC | ZT-100 |
| 300 | 78 | 507/562 | 215/235 | 725/772 | 254 | 410 | 12-Φ26 | AT190DR/AT210SC | ZT-200 |
| 350 | 78 | 562/646 | 235/272 | 832/880 | 288 | 470 | 16-Φ26 | AT210DR/AT240SC | ZMQ-300 |
| 400 | 102 | 646/722 | 272/305 | 862/968 | 320 | 525 | 16-Φ30 | AT240DR/AT270SC | ZMQ-300 |
| 450 | 114 | 646/1700 | 272/440 | 945/1005 | 350 | 585 | 20-Φ30 | AT270DR/AT350SC | ZMQ-400 |
| 500 | 127 | 722/1700 | 305/440 | 1058/1060 | 388 | 650 | 20-Φ33 | AT300DR/AW28S | ZMQ-500 |
| 600 | 154 | 1320/1970 | 440/480 | 1108/1195 | 440 | 770 | 20-Φ36 | AT350DR/AW28S | ZDQ-800 |
| 700 | 165 | 1430/2700 | 480/560 | 1170/1255 | 488 | 840 | 24-Φ36 | AT400DR/AW35S | ZDQ-800 |
| 800 | 190 | 1430/2700 | 480/560 | 1325/1365 | 572 | 950 | 24-Φ39 | AW28/AW40S | ZDQ-1000 |
ZTD673H(F/Y)-PN25(2.5MPa)
| DN | L | L1 | L2 | ~H | H1 | D1 | n-Φd | Pneumatic Actuator Model | Electric Actuator Models |
|---|---|---|---|---|---|---|---|---|---|
| 50 | 43 | 145/201 | 84/98 | 277/305 | 85 | 125 | 4-Φ18 | AT063DR/AT075SC | ZT-10 |
| 65 | 46 | 145/209 | 84/108 | 287/325 | 95 | 145 | 8-Φ18 | AT063DR/AT083SC | ZT-10 |
| 80 | 49 | 209/242 | 108/120 | 365/391 | 110 | 160 | 8-Φ18 | AT083DR/AT092SC | ZT-10 |
| 100 | 52 | 242/275 | 120/132 | 420/457 | 130 | 190 | 8-Φ22 | AT092DR/AT105SC | ZT-20 |
| 125 | 56 | 275/332 | 132/148 | 436/462 | 148 | 220 | 8-Φ26 | AT105DR/AT125SC | ZT-50 |
| 150 | 56 | 385/450 | 165/188 | 466/543 | 165 | 250 | 8-Φ26 | AT140DR/AT160SC | ZT-100 |
| 200 | 60 | 450/507 | 188/215 | 593/665 | 198 | 310 | 12-Φ26 | AT160DR/AT190SC | ZT-100 |
| 250 | 68 | 507/562 | 215/235 | 682/752 | 234 | 370 | 12-Φ30 | AT190DR/AT210SC | ZT-200 |
| 300 | 78 | 562/646 | 235/272 | 402/820 | 266 | 430 | 16-Φ30 | AT210DR/AT240SC | ZT-200 |
| 350 | 78 | 646/722 | 272/305 | 832/938 | 302 | 490 | 16-Φ33 | AT240DR/AT270SC | ZMQ-300 |
| 400 | 102 | 646/1700 | 272/440 | 910/968 | 338 | 550 | 16-Φ36 | AT270DR/AT350SC | ZMQ-400 |
| 450 | 114 | 722/1970 | 305/480 | 1005/1010 | 365 | 600 | 20-Φ36 | AT300DR/AT400SC | ZMQ-500 |
| 500 | 127 | 1180/1700 | 365/440 | 1058/1065 | 402 | 660 | 20-Φ36 | AT350DR/AW28S | ZDQ-600 |
| 600 | 154 | 1700/1970 | 440/480 | 1110/1195 | 448 | 770 | 20-Φ39 | AT400DR/AW35S | ZDQ-1000 |
| 700 | 165 | 1320/2700 | 480/560 | 1255/1295 | 498 | 875 | 24-Φ42 | AW35/AW50S | ZDQ-1600 |
| 800 | 190 | 1950/2700 | 560/580 | 1325/1365 | 580 | 990 | 24-Φ48 | AW35/AW50S | ZDQ-2000 |
ZTD673H(F/Y)-PN25(4.0MPa)
| DN | L | L1 | L2 | ~H | H1 | D1 | n-Φd | Pneumatic Actuator Model | Electric Actuator Models |
|---|---|---|---|---|---|---|---|---|---|
| 50 | 43 | 201/209 | 98/108 | 277/305 | 105 | 125 | 4-Φ18 | AT075DR/AT083SC | ZT-10 |
| 65 | 46 | 201/242 | 98/120 | 310/341 | 115 | 145 | 8-Φ18 | AT075DR/AT092SC | ZT-15 |
| 80 | 49 | 209/275 | 108/132 | 375/412 | 125 | 160 | 8-Φ18 | AT083DR/AT105SC | ZT-15 |
| 100 | 52 | 275/332 | 132/148 | 436/462 | 140 | 190 | 8-Φ22 | AT105DR/AT125SC | ZT-50 |
| 125 | 56 | 332/450 | 148/188 | 462/513 | 160 | 220 | 8-Φ26 | AT125DR/AT160SC | ZT-50 |
| 150 | 56 | 450/562 | 188/235 | 543/615 | 176 | 250 | 8-Φ26 | AT160DR/AT210SC | ZT-100 |
| 200 | 60 | 507/646 | 215/272 | 665/760 | 206 | 320 | 12-Φ30 | AT190DR/AT240SC | ZT-200 |
| 250 | 68 | 562/646 | 235/272 | 752/858 | 240 | 385 | 12-Φ33 | AT210DR/AT240SC | ZT-200 |
| 300 | 78 | 646/722 | 272/305 | 820/880 | 270 | 450 | 16-Φ33 | AT240DR/AT270SC | ZMQ-300 |
| 350 | 78 | 722/1700 | 305/440 | 938/940 | 310 | 510 | 16-Φ33 | AT300DR/AT350SC | ZMQ-400 |
| 400 | 102 | 1180/1700 | 325/440 | 970/1055 | 350 | 585 | 16-Φ39 | AT350DR/AT400SC | ZDQ-600 |
| 450 | 114 | 1180/1700 | 325/440 | 1005/1090 | 380 | 610 | 20-Φ39 | AT400DR/AW28S | ZDQ-800 |
| 500 | 127 | 1320/1970 | 440/489 | 1145/1185 | 420 | 670 | 20-Φ42 | AT400DR/AW35S | ZDQ-1000 |
| 600 | 154 | 1430/2700 | 480/560 | 1195/1235 | 450 | 795 | 20-Φ48 | AW35/AW50S | ZDQ-1600 |
This kind of butterfly valve is suitable for pipe of high temperature, high pressure, fire-proof, jacket etc as start and stop or adjust medium, the main characteristic as below:
Compact configuration, tiny bulk, light and operate skillfully and conveniently.
It adopt three-dimensional eccentric elasticity or multiple-layers hard sealing configuration, the hermetical capability can reach to zero leakage.
This kind of valve with no flange, which makes pipe elegantly and Binding upconveniently.
It has characteristic of high temperature resistant, high pressure resistant, antisepsis, wearable etc.

PN0.6 MPa & PN1.0 MPa
| DN (mm) | inch | L | D | d | H | H1 | A | B | L | D | d | H | H1 | A | B |
|---|---|---|---|---|---|---|---|---|---|---|---|---|---|---|---|
| PN0.6 MPa | PN1.0 MPa | ||||||||||||||
| 600 | 24 | 340 | 636 | 602 | 499 | 1280 | 570 | 660 | 340 | 636 | 602 | 499 | 1280 | 570 | 660 |
| 700 | 28 | 460 | 726 | 692 | 566 | 1408 | 750 | 550 | 460 | 726 | 692 | 566 | 1480 | 750 | 550 |
| 800 | 32 | 480 | 826 | 792 | 632 | 1608 | 750 | 550 | 480 | 826 | 792 | 632 | 1608 | 750 | 550 |
| 900 | 36 | 500 | 926 | 892 | 693 | 1857 | 750 | 550 | 500 | 926 | 892 | 693 | 1857 | 750 | 550 |
| 1000 | 40 | 510 | 1028 | 992 | 757 | 2038 | 900 | 750 | 510 | 1028 | 992 | 757 | 2038 | 900 | 750 |
| 1200 | 48 | 530 | 1228 | 1192 | 851 | 2237 | 1000 | 925 | 530 | 1228 | 1192 | 851 | 2237 | 1000 | 925 |
| 1400 | 56 | 550 | 1428 | 1392 | 876 | 2411 | 1000 | 925 | 550 | 1428 | 1392 | 876 | 2411 | 1000 | 925 |
| 1600 | 64 | 570 | 1628 | 1592 | 1095 | 2756 | 1000 | 925 | 570 | 1628 | 1592 | 1095 | 2756 | 1000 | 925 |
| 1800 | 72 | 590 | 1828 | 1792 | 1214 | 3093 | 1100 | 980 | 590 | 1828 | 1792 | 1214 | 3093 | 1100 | 980 |
| 2000 | 80 | 610 | 2028 | 1992 | 1332 | 3355 | 1100 | 980 | 610 | 2028 | 1992 | 1332 | 3355 | 1100 | 980 |
PN1.6 MPa & PN2.5 MPa
| DN (mm) | inch | L | D | d | H | H1 | A | B | L | D | d | H | H1 | A | B |
|---|---|---|---|---|---|---|---|---|---|---|---|---|---|---|---|
| PN1.6 MPa | PN2.5 MPa | ||||||||||||||
| 80 | 3 | 140 | 90 | 78 | 90 | 356 | 180 | 200 | 340 | 636 | 602 | 509 | 1369 | 570 | 660 |
| 100 | 4 | 160 | 110 | 96 | 100 | 375 | 180 | 200 | 460 | 726 | 692 | 572 | 1492 | 750 | 550 |
| 125 | 5 | 180 | 135 | 121 | 113 | 401 | 180 | 200 | 480 | 826 | 792 | 638 | 1622 | 750 | 550 |
| 150 | 6 | 180 | 161 | 146 | 130 | 450 | 270 | 280 | 500 | 926 | 892 | 700 | 1924 | 750 | 550 |
| 200 | 8 | 220 | 222 | 202 | 205 | 545 | 400 | 425 | 510 | 1028 | 992 | 765 | 2054 | 900 | 750 |
| 250 | 10 | 220 | 278 | 254 | 235 | 630 | 400 | 425 | 530 | 1228 | 1192 | 860 | 2259 | 1000 | 925 |
| 300 | 12 | 240 | 303 | 275 | 275 | 715 | 450 | 560 | 550 | 1428 | 1392 | 986 | 2610 | 1000 | 925 |
PN4.0 MPa & PN6.4 MPa
| DN (mm) | inch | L | D | d | H | H1 | A | B | L | D | d | H | H1 | A | B |
|---|---|---|---|---|---|---|---|---|---|---|---|---|---|---|---|
| PN4.0 MPa | PN6.4 MPa | ||||||||||||||
| 80 | 3 | 140 | 90 | 78 | 90 | 356 | 180 | 200 | 180 | 90 | 78 | 108 | 430 | 180 | 200 |
| 100 | 4 | 160 | 110 | 96 | 106 | 387 | 180 | 200 | 190 | 110 | 96 | 108 | 392 | 180 | 200 |
| 125 | 5 | 180 | 135 | 121 | 122 | 413 | 180 | 200 | 200 | 120 | 120 | 120 | 414 | 180 | 200 |
| 150 | 6 | 180 | 161 | 146 | 136 | 459 | 270 | 280 | 210 | 161 | 145 | 135 | 494 | 270 | 280 |
| 200 | 8 | 220 | 222 | 202 | 215 | 585 | 400 | 425 | 230 | 222 | 200 | 202 | 578 | 400 | 425 |
| 250 | 10 | 220 | 278 | 254 | 247 | 649 | 400 | 425 | 250 | 278 | 252 | 235 | 673 | 400 | 425 |
| 300 | 12 | 240 | 303 | 288 | 277 | 717 | 450 | 560 | 270 | 330 | 301 | 280 | 793 | 450 | 560 |
Step 1: Order and Design
According to customer requirements, the engineering team confirms the pressure rating, size, material, sealing type, and operating conditions of the triple offset butterfly valve. After that, detailed drawings and production plans are prepared to ensure the valve structure meets performance and application requirements.

Step 2: Forging & Casting
The main pressure-bearing parts of the triple offset butterfly valve, such as body, disc, and stem, are produced through forging or casting based on the material specification. Raw materials are inspected before processing to ensure strength, chemical composition, and internal quality meet standards.

Step 3: Machining
All key components are machined with high precision, including body boring, seat surface finishing, disc profile machining, and stem connection areas. For a triple offset butterfly valve, machining accuracy is especially important because it directly affects the offset geometry and sealing performance.

Step 4: Assembly
After machining and cleaning, all parts are assembled in sequence, including the body, disc, stem, seat, bearings, seals, and actuator mounting components. During assembly of the triple offset butterfly valve, special attention is given to alignment and torque control to ensure smooth operation and reliable shut-off.

Step 5: Testing & Quality Assurance
Each triple offset butterfly valve undergoes strict inspection and testing, such as dimensional inspection, pressure test, sealing test, and operational test. Quality control personnel verify that the valve meets relevant standards and customer specifications before delivery.

Step 6: Painting and Finishing
After final inspection, the valve surface is cleaned, painted, and marked as required. Nameplate, traceability information, and packaging are completed to protect the product during storage and shipment.

The triple offset butterfly valve is typically used for fluid control under harsh conditions such as high temperature, high pressure, and high viscosity. Due to its excellent sealing performance, it is often employed for flow regulation, preventing backflow, and controlling the flow of liquids and gases in industries such as chemical processes, oil and gas extraction. Its working principle is based on a unique biasing structure, which achieves precise control of the fluid by changing the contact position and area between the butterfly plate and the valve seat. Therefore, it performs exceptionally well in the control of high-temperature, high-pressure, and high-viscosity fluids and is an indispensable key component in fluid control systems.
These valves are widely used in:

Oil and Gas

Chemical Processing

Power Plants

Water Treatment

Metallurgy and Mining

Agriculture and Irrigation






Superior Quality

Our valves are manufactured using premium materials and undergo rigorous quality testing to ensure reliable performance in demanding industrial applications.
Advanced Technology

Equipped with state-of-the-art CNC machining centers and precision manufacturing equipment, we deliver valves with exceptional accuracy and consistency.
Competitive Pricing

Through optimized manufacturing processes and bulk material procurement, we offer high-quality valves at competitive prices without compromising on quality.
Expert Support

Our experienced technical team provides comprehensive support from product selection to after-sales service, ensuring optimal valve performance for your specific application.
Request a Quote