
| Category | Item | Specification | Standard |
|---|---|---|---|
| Design and Manufacture | Design and Manufacture | JB/T10529 | |
| Design and Manufacture | Connection End | Face to Face | Manufacturer Standard |
| Design and Manufacture | Connection End | Flange End | GB/T9113 |
| Inspection & Test | Inspection & Test | JB/T9092 | |
| Inspection & Test | Mark | GB/T12220 | |
| Inspection & Test | Delivery | GB/T12252 |
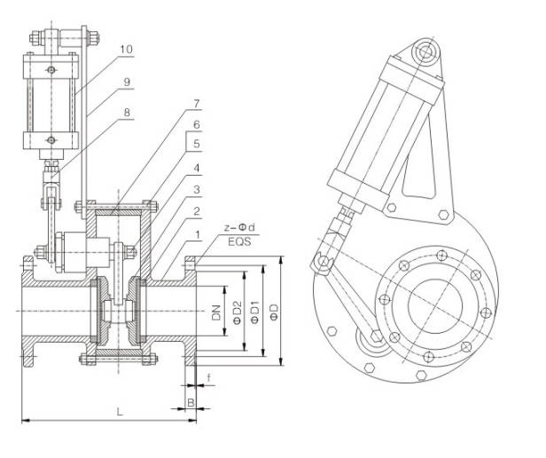
| No. | Name | Material |
|---|---|---|
| 1 | Cover | WCB |
| 2 | Seat | Engineering ceramic |
| 3 | Disc | WCB + Engineering ceramic |
| 4 | Disc fixing shaft | 45# |
| 5 | Stud | 35CrMo |
| 6 | Nut | 45# |
| 7 | Body | WCB |
| 8 | Rod | 45# |
| 9 | Yoke | Q235 |
| 10 | Pneumatic |
| DN | L | D | D1 | D2 | B | f | Z-d |
|---|---|---|---|---|---|---|---|
| 50 | 340 | 165 | 125 | 102 | 18 | 3 | 4-φ18 |
| 65 | 340 | 185 | 145 | 122 | 18 | 3 | 4-φ18 |
| 80 | 340 | 200 | 160 | 138 | 20 | 3 | 8-φ18 |
| 100 | 350 | 220 | 180 | 158 | 20 | 3 | 8-φ18 |
| 125 | 350 | 250 | 210 | 188 | 22 | 3 | 8-φ18 |
| 150 | 380 | 285 | 240 | 212 | 22 | 3 | 8-φ22 |
| 200 | 380 | 340 | 295 | 268 | 24 | 3 | 8-φ22 |
| 250 | 400 | 395 | 350 | 320 | 26 | 3 | 12-φ22 |
| 300 | 450 | 445 | 400 | 370 | 26 | 4 | 12-φ22 |

Step 1: Order and Design
Based on the operating parameters provided by the customer—such as nominal diameter, pressure, temperature, medium characteristics, and actuation requirements—we determine the structural configuration, body material, ceramic lining scheme, and pneumatic actuator configuration for the pneumatic ceramic rotary disc valve. We then complete the drawing design, confirm dimensions, and review the manufacturing process.

Step 2: Forging & Casting
Major metal components, such as the valve body and bonnet, are formed using casting or forging processes. Depending on the operating environment of the pneumatic ceramic rotary disc valve, carbon steel, stainless steel, or alloy steel materials are selected to ensure the valve body possesses adequate strength, pressure resistance, and machinability. After the blanks are formed, they undergo sand removal, heat treatment, and preliminary visual inspection.

Step 3: Machining
Precision machining is performed on the cast and forged components, including turning, boring, milling, drilling, and sealing surface machining, to ensure all mating dimensions meet assembly requirements. For the pneumatic ceramic rotary disc valve, machining accuracy of the valve cavity, mounting flanges, and connection points is particularly critical to ensure stable installation of ceramic components and smooth rotational movement.

Step 4: Assembly
The machined valve body, ceramic disc, seat, stem, seals, and pneumatic actuator are assembled. During assembly, special attention is paid to inspecting the ceramic mating surfaces, opening/closing angles, and actuator synchronization of the pneumatic ceramic rotary disc valve to ensure smooth operation and reliable sealing.

Step 5: Testing & Quality Assurance
After assembly, the pneumatic ceramic rotary disc valve undergoes pressure testing, seal testing, operational testing, and visual inspection. If necessary, air tightness, torque, and cycle life tests are also conducted to ensure the product meets technical standards and customer requirements.

Step 6: Painting and Finishing
After passing inspection, the valve’s exterior undergoes rust removal, painting, and marking to enhance corrosion resistance and improve visual quality. Finally, nameplate installation, protective packaging, and a final pre-shipment inspection are completed to ensure the pneumatic ceramic rotary disc valve can be safely transported and successfully delivered to the customer.

It is primarily used in silo pumps for dry ash systems in thermal power plants, as well as for controlling pipelines carrying dry dust, water, and steam in the mining, chemical, and metallurgical industries.
These valves are widely used in:

Oil and Gas

Chemical Processing

Power Plants

Water Treatment

Metallurgy and Mining

Agriculture and Irrigation






Superior Quality

Our valves are manufactured using premium materials and undergo rigorous quality testing to ensure reliable performance in demanding industrial applications.
Advanced Technology

Equipped with state-of-the-art CNC machining centers and precision manufacturing equipment, we deliver valves with exceptional accuracy and consistency.
Competitive Pricing

Through optimized manufacturing processes and bulk material procurement, we offer high-quality valves at competitive prices without compromising on quality.
Expert Support

Our experienced technical team provides comprehensive support from product selection to after-sales service, ensuring optimal valve performance for your specific application.
Request a Quote