

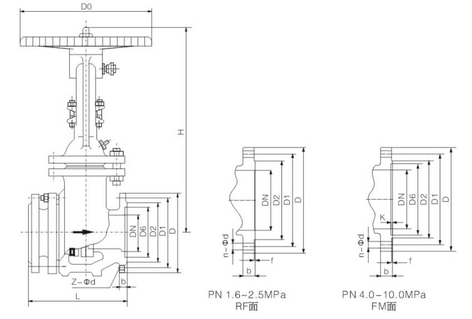
Type: PZ41H-16C/I/V PZ941Y-16C/I/V PZ41X-16C/I/V
| DN | L | D | D1 | D2 | D6 | b | f | n-Φd | H | D0 | WT (Kg) |
|---|---|---|---|---|---|---|---|---|---|---|---|
| 50 | 250 | 160 | 125 | 100 | - | 16 | 3 | 4-18 | 335 | 250 | 60 |
| 80 | 280 | 195 | 160 | 135 | - | 20 | 3 | 8-18 | 510 | 280 | 78 |
| 100 | 300 | 215 | 180 | 155 | - | 20 | 3 | 8-18 | 685 | 300 | 96 |
| 150 | 350 | 280 | 240 | 210 | - | 24 | 3 | 8-23 | 790 | 300 | 158 |
| 200 | 400 | 335 | 295 | 265 | - | 26 | 3 | 12-23 | 885 | 350 | 222 |
| 250 | 450 | 405 | 355 | 320 | - | 30 | 3 | 12-25 | 1015 | 400 | 289 |
| 300 | 500 | 460 | 410 | 375 | - | 30 | 3 | 12-25 | 1190 | 450 | 365 |
| 350 | 550 | 520 | 470 | 435 | - | 34 | 4 | 16-25 | 1350 | 500 | 558 |
| 400 | 600 | 580 | 525 | 485 | - | 36 | 4 | 16-25 | 1460 | 500 | 850 |
| 450 | 650 | 640 | 585 | 545 | - | 40 | 4 | 20-30 | 1620 | 550 | 1164 |
| 500 | 700 | 705 | 650 | 608 | - | 44 | 4 | 20-34 | 1800 | 550 | 1482 |
Type: PZ41H-25C/I/V PZ941Y-25C/I/V PZ41X-25C/I/V
| DN | L | D | D1 | D2 | D6 | b | f | Z-d | H | D0 | WT (Kg) |
|---|---|---|---|---|---|---|---|---|---|---|---|
| 50 | 250 | 160 | 125 | 100 | - | 20 | 3 | 4-18 | 335 | 250 | 99 |
| 80 | 280 | 195 | 160 | 135 | - | 22 | 3 | 8-18 | 510 | 280 | 118 |
| 100 | 300 | 230 | 190 | 160 | - | 24 | 3 | 8-23 | 685 | 300 | 147 |
| 150 | 350 | 300 | 250 | 218 | - | 30 | 3 | 8-25 | 790 | 300 | 204 |
| 200 | 400 | 360 | 310 | 278 | - | 34 | 3 | 12-25 | 885 | 350 | 273 |
| 250 | 450 | 425 | 370 | 332 | - | 36 | 3 | 12-30 | 1015 | 400 | 373 |
| 300 | 500 | 485 | 430 | 390 | - | 40 | 4 | 16-30 | 1190 | 450 | 478 |
| 350 | 550 | 550 | 490 | 448 | - | 44 | 4 | 16-34 | 1350 | 500 | 680 |
| 400 | 600 | 610 | 550 | 505 | - | 48 | 4 | 16-34 | 1460 | 500 | 1008 |
| 450 | 650 | 660 | 600 | 555 | - | 50 | 4 | 20-34 | 1620 | 550 | 1344 |
| 500 | 700 | 730 | 660 | 610 | - | 52 | 4 | 20-41 | 1800 | 550 | 1827 |

Type: PZ41H-40C/I/V PZ941Y-40C/I/V PZ41X-40C/I/V
| DN | L | D | D1 | D2 | D6 | b | f | n-Φd | H | D0 | WT (Kg) |
|---|---|---|---|---|---|---|---|---|---|---|---|
| 50 | 250 | 160 | 125 | 100 | 88 | 20 | 3 | 4-18 | 3400 | 250 | 98 |
| 80 | 310 | 195 | 160 | 135 | 121 | 22 | 3 | 8-18 | 508 | 300 | 126 |
| 100 | 350 | 230 | 190 | 160 | 150 | 24 | 3 | 8-23 | 680 | 300 | 156 |
| 150 | 450 | 300 | 250 | 218 | 204 | 30 | 3 | 8-25 | 800 | 400 | 228 |
| 200 | 550 | 375 | 320 | 282 | 260 | 38 | 3 | 12-30 | 875 | 500 | 298 |
| 250 | 650 | 445 | 385 | 345 | 313 | 42 | 3 | 12-34 | 1010 | 500 | 372 |
| 300 | 750 | 510 | 450 | 408 | 364 | 46 | 4 | 16-34 | 1180 | 550 | 450 |
| 350 | 850 | 570 | 510 | 465 | 422 | 52 | 4 | 16-34 | 1145 | 600 | 530 |
| 400 | 950 | 655 | 585 | 535 | 474 | 58 | 4 | 16-41 | 1280 | 600 | 610 |
| 450 | 1050 | 680 | 610 | 560 | 524 | 60 | 4 | 20-41 | 1415 | 700 | 690 |
| 500 | 1150 | 755 | 670 | 612 | 576 | 62 | 4 | 20-48 | 1560 | 750 | 772 |
Type: PZ41H-64C/I/V PZ941Y-64C/I/V PZ41X-64C/I/V
| DN | L | D | D1 | D2 | D6 | b | f | Z-d | H | D0 | WT (Kg) |
|---|---|---|---|---|---|---|---|---|---|---|---|
| 50 | 250 | 175 | 135 | 105 | 88 | 26 | 3 | 4-23 | 340 | 250 | 142 |
| 80 | 310 | 210 | 170 | 140 | 121 | 30 | 3 | 8-23 | 508 | 300 | 168 |
| 100 | 350 | 250 | 200 | 168 | 150 | 32 | 3 | 8-25 | 680 | 300 | 210 |
| 150 | 450 | 340 | 280 | 240 | 204 | 38 | 3 | 8-34 | 800 | 400 | 270 |
| 200 | 550 | 405 | 345 | 300 | 260 | 44 | 3 | 12-34 | 875 | 500 | 367 |
| 250 | 650 | 470 | 400 | 352 | 313 | 48 | 3 | 12-41 | 1010 | 500 | 450 |
| 300 | 750 | 530 | 460 | 415 | 364 | 54 | 4 | 16-41 | 1180 | 550 | 532 |
| 350 | 850 | 595 | 525 | 475 | 422 | 60 | 4 | 16-41 | 1145 | 600 | 548 |
| 400 | 950 | 670 | 585 | 525 | 474 | 66 | 4 | 16-48 | 1280 | 600 | 615 |
| 450 | 1050 | 715 | 630 | 570 | 524 | 70 | 4 | 20-48 | 1415 | 700 | 695 |
| 500 | 1150 | 800 | 705 | 610 | 570 | 76 | 4 | 20-54 | 1560 | 750 | 778 |
Step 1: Order and Design
According to the customer's working conditions, pressure class, size, and medium characteristics, the slag discharge gate valve is designed and confirmed.
At this stage, drawings, material selection, face-to-face dimensions, and sealing structure are all finalized to ensure the valve can perform well under harsh service conditions.

Step 2: Forging & Casting
The main pressure-bearing parts such as valve body, bonnet, and gate are produced by casting or forging based on design requirements.
For a slag discharge gate valve, raw materials must have good strength, wear resistance, and corrosion resistance, so that the valve can handle abrasive media reliably.

Step 3: Machining
After blank inspection, all key components enter machining, including body cavity machining, flange facing, stem thread processing, gate guide surface machining, and sealing surface finishing.
The machining accuracy of the slag discharge gate valve directly affects sealing performance, operating torque, and service life.

Step 4: Assembly
After all parts pass dimensional and surface inspection, assembly begins.
This includes installing the stem, gate, bonnet, sealing components, handwheel, and fastening parts. During assembly of the slag discharge gate valve, special attention is paid to alignment, smooth movement, and sealing reliability.

Step 5: Testing & Quality Assurance
Each slag discharge gate valve must undergo strict inspection and testing, such as shell pressure test, sealing test, dimensional check, and operation test.
This step ensures the valve meets relevant standards and can operate safely and stably before delivery.

Step 6: Painting and Finishing
After testing is completed, the valve surface is cleaned, painted, marked, and packed.
This step improves corrosion protection and product appearance, and ensures the valve is ready for shipment and installation.

Widely used in applications such as water-based ash removal in thermal power plants, tailings conveyance in metallurgical and mining operations, wastewater treatment, cement production, and pulverized coal conveyance.
These valves are widely used in:

Oil and Gas

Chemical Processing

Power Plants

Water Treatment

Metallurgy and Mining

Agriculture and Irrigation






Superior Quality

Our valves are manufactured using premium materials and undergo rigorous quality testing to ensure reliable performance in demanding industrial applications.
Advanced Technology

Equipped with state-of-the-art CNC machining centers and precision manufacturing equipment, we deliver valves with exceptional accuracy and consistency.
Competitive Pricing

Through optimized manufacturing processes and bulk material procurement, we offer high-quality valves at competitive prices without compromising on quality.
Expert Support

Our experienced technical team provides comprehensive support from product selection to after-sales service, ensuring optimal valve performance for your specific application.
Request a Quote