

| NO | Name of parts | Gray cast iron (Z) | Cast steel (C) | Stainless acid resistant cast steel (P) | Stainless acid resistant cast steel (R) | Ultra-low carbon stainless acid resistant cast steel (PL) | Ultra-low carbon stainless acid resistant cast steel (RL) |
|---|---|---|---|---|---|---|---|
| 1 | Body/bonnet | HT250 | WCB | CF8 | CF8M | CF3 | CF3M |
| 2 | Disc/Stem | HT250 | 1Cr13 | 1Cr18Ni9Ti | 1Cr18Ni12Mo2Ti | 00Cr18Ni10 | 00Cr17Ni14Mo2 |
| 3 | Lining/Seat | Natural rubber / Isobutylene–isoprene rubber | Natural rubber / Isobutylene–isoprene rubber | Natural rubber / Isobutylene–isoprene rubber | Natural rubber / Isobutylene–isoprene rubber | Natural rubber / Isobutylene–isoprene rubber | Natural rubber / Isobutylene–isoprene rubber |
| 4 | Diaphragm | Rubber / Fluoroplastic | Rubber / Fluoroplastic | Rubber / Fluoroplastic | Rubber / Fluoroplastic | Rubber / Fluoroplastic | Rubber / Fluoroplastic |
| 5 | Handwheel | HT250 | HT250 | HT250 | HT250 | HT250 | HT250 |
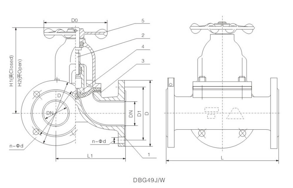
| Nominal pressure | Working pressure | Diameter (mm) | Diameter (inch) | L | D | D1 | N-φd | H1 | H2 | D0 | Weight (kg) |
|---|---|---|---|---|---|---|---|---|---|---|---|
| 1.0 | 1.0 | 25 | 1 | 160 | 96 | 115 | 4-14 | 108 | 120 | 66 | 5.5 |
| 1.0 | 1.0 | 32 | 1 1/4 | 180 | 118 | 135 | 4-18 | 138 | 157 | 96 | 8.5 |
| 1.0 | 1.0 | 40 | 1 1/2 | 200 | 135 | 145 | 4-18 | 147 | 167 | 96 | 12.5 |
| 1.0 | 1.0 | 50 | 2 | 230 | 150 | 160 | 4-18 | 167 | 192 | 96 | 17 |
| 1.0 | 1.0 | 65 | 2 1/2 | 290 | 182 | 180 | 4-18 | 194 | 229 | 165 | 24.5 |
| 1.0 | 1.0 | 80 | 3 | 310 | 210 | 195 | 4-18 | 212 | 252 | 230 | 33.5 |
Step 1: Order and Design
Confirm the specifications of the three way diaphragm valve, including size, pressure rating, body material, diaphragm material, connection type, and flow direction.
According to customer requirements and application conditions, prepare production drawings and machining plans.

Step 2: Forging & Casting
Select suitable raw materials for the valve body, bonnet, and other main components.
The body of the three way diaphragm valve is usually formed by casting or forging to ensure enough strength, corrosion resistance, and stable internal flow passage structure.

Step 3: Machining
Machine the valve body, bonnet, flange faces, sealing areas, and connection threads based on technical drawings.
For the three way diaphragm valve, special attention should be paid to the precision of the three-port flow passage, flange dimensions, and diaphragm sealing surface to ensure smooth operation and reliable sealing performance.

Step 4: Assembly
Clean all finished parts before assembly.
Install the diaphragm, compressor, stem, handwheel, bonnet, and fasteners in sequence. During assembly, proper tightening torque and correct alignment are required to ensure the valve opens and closes smoothly.

Step 5: Testing & Quality Assurance
Each three way diaphragm valve should undergo pressure testing, sealing testing, appearance inspection, and operation testing.
This step ensures that the valve has no leakage, operates flexibly, and fully meets quality standards and customer requirements.

Step 6: Painting and Finishing
After inspection, carry out surface cleaning, marking, painting, and protective treatment as required.
Finally, package the valve properly to prevent damage during storage and transportation.

Select the appropriate materials, sealing materials, structures, and connection methods based on the specific application and intended use.
These valves are widely used in:

Oil and Gas

Chemical Processing

Power Plants

Water Treatment

Metallurgy and Mining

Agriculture and Irrigation






Superior Quality

Our valves are manufactured using premium materials and undergo rigorous quality testing to ensure reliable performance in demanding industrial applications.
Advanced Technology

Equipped with state-of-the-art CNC machining centers and precision manufacturing equipment, we deliver valves with exceptional accuracy and consistency.
Competitive Pricing

Through optimized manufacturing processes and bulk material procurement, we offer high-quality valves at competitive prices without compromising on quality.
Expert Support

Our experienced technical team provides comprehensive support from product selection to after-sales service, ensuring optimal valve performance for your specific application.
Request a Quote