
| Item | Standard |
|---|---|
| Design Basis | GB Standard |
| Design Standard | GB/T 12237 |
| Face to Face Dimension | ZTQB Standard |
| Connecting Flange Size | GB/T 9113, JB/T 79 |
| Test & Inspection | JB/T 9092 |
| Name of Parts | C Material | P Material | R Material |
|---|---|---|---|
| Bonnet | WCB | ZG1Cr18Ni9Ti | ZG1Cr18Ni12Mo2Ti |
| Gasket | PTFE | PTFE | PTFE |
| Seat | PTFE | PTFE, Nylon, PPL | PTFE, Nylon, PPL |
| Ball | 1Cr18Ni9Ti | 1Cr18Ni9Ti | 1Cr18Ni9Ti |
| Seat | PTFE | PTFE, Nylon, PPL | PTFE, Nylon, PPL |
| Body | WCB | ZG1Cr18Ni9Ti | ZG1Cr18Ni12Mo2Ti |
| Screw | 35 | 1Cr18Ni9Ti | 1Cr18Ni12Mo2Ti |
| Stem | 1Cr13 | 1Cr18Ni9Ti | 1Cr18Ni12Mo2Ti |
| Gasket | 1Cr18Ni9Ti | 1Cr18Ni9Ti | 1Cr18Ni12Mo2Ti |
| Packing | PTFE | PTFE | PTFE |
| Bushing | PTFE | PTFE | PTFE |
| Spring Gasket | WCB | ZG1Cr18Ni9Ti | ZG1Cr18Ni12Mo2Ti |
| Gasket | 35 | 1Cr18Ni9Ti | 1Cr18Ni9Ti |
| Nut | 35 | 1Cr18Ni9Ti | 1Cr18Ni9Ti |
| Connecting Yoke | 1Cr18Ni9Ti | 1Cr18Ni9Ti | 1Cr18Ni9Ti |
| Screw | 35 | 1Cr18Ni9Ti | 1Cr18Ni9Ti |
| Connecting Set | 35 | 1Cr18Ni9Ti | 1Cr18Ni9Ti |
| Pneumatic Device | AT Series | AT Series | AT Series |
| Location Indicator | Plastic | Plastic | Plastic |

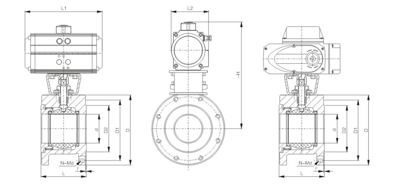
| DN | d | L | L1 | L2 | ~H | D | D1 | D2 | f | N-Md | Pneumatic Actuator Model | Electric Actuator Models |
|---|---|---|---|---|---|---|---|---|---|---|---|---|
| 15 | 15 | 32 | 145/169 | 75/84 | 177/208 | 95 | 65 | 46 | 2 | 4-M12 | AT052DR / AT063SC | ZT-05 |
| 20 | 20 | 38.5 | 145/169 | 75/84 | 182/213 | 105 | 75 | 56 | 2 | 4-M12 | AT052DR / AT063SC | ZT-05 |
| 25 | 25 | 45 | 145/201 | 75/98 | 187/230 | 115 | 85 | 65 | 2 | 4-M12 | AT052DR / AT075SC | ZT-05 |
| 32 | 29 | 55 | 169/201 | 84/98 | 223/243 | 140 | 100 | 76 | 3 | 4-M16 | AT063DR / AT075SC | ZT-10 |
| 40 | 38 | 62 | 201/209 | 98/108 | 231/261 | 150 | 110 | 84 | 3 | 4-M16 | AT075DR / AT083SC | ZT-10 |
| 50 | 46 | 72 | 209/242 | 108/120 | 258/293 | 165 | 125 | 99 | 3 | 4-M16 | AT083DR / AT092SC | ZT-15 |
| 65 | 62 | 95 | 242/275 | 120/132 | 273/298 | 185 | 145 | 118 | 3 | 4-M16 | AT092DR / AT105SC | ZT-15 |
| 80 | 76 | 120 | 275/332 | 132/148 | 303/325 | 200 | 160 | 132 | 3 | 8-M16 | AT105DR / AT125SC | ZT-20 |
| 100 | 92 | 145 | 332/385 | 148/165 | 333/390 | 220 | 180 | 156 | 3 | 8-M16 | AT125DR / AT140SC | ZT-50 |
| 125 | 110 | 200 | 385/450 | 165/188 | 380/468 | 250 | 210 | 184 | 3 | 8-M16 | AT140DR / AT160SC | ZT-100 |
| 150 | 145 | 225 | 450/507 | 188/215 | 432/520 | 285 | 240 | 211 | 3 | 8-M20 | AT160DR / AT190SC | ZT-100 |
| Design Basis | GB Standard |
|---|---|
| Design Standard | GB/T 12237 |
| Face To Face Dimension | ZTQB Standard |
| Flange Connecting | ZTQB Standard |
| Connecting Flange Size | GB/T 9113, JB/T 79 |
| Test & Inspection | JB/T 9092 |
| Name of Parts | C Material | P Material | R Material |
|---|---|---|---|
| Bonnet | WCB | ZG1Cr18Ni9Ti | ZG1Cr18Ni12Mo2Ti |
| Gasket | PTFE | PTFE | PTFE |
| Seat | PTFE | PTFE, Nylon, PPL | PTFE, Nylon, PPL |
| Ball | 1Cr18Ni9Ti | 1Cr18Ni9Ti | 1Cr18Ni9Ti |
| Seat | PTFE | PTFE, Nylon, PPL | PTFE, Nylon, PPL |
| Body | WCB | ZG1Cr18Ni9Ti | ZG1Cr18Ni12Mo2Ti |
| Screw | 35 | 1Cr18Ni9Ti | 1Cr18Ni12Mo2Ti |
| Stem | 1Cr13 | 1Cr18Ni9Ti | 1Cr18Ni12Mo2Ti |
| Gasket | 1Cr18Ni9Ti | 1Cr18Ni9Ti | 1Cr18Ni12Mo2Ti |
| Packing | PTFE | PTFE | PTFE |
| Bushing | PTFE | PTFE | PTFE |
| Spring Gasket | WCB | ZG1Cr18Ni9Ti | ZG1Cr18Ni12Mo2Ti |
| Gasket | 35 | 1Cr18Ni9Ti | 1Cr18Ni9Ti |
| Nut | 35 | 1Cr18Ni9Ti | 1Cr18Ni9Ti |
| Connecting Yoke | 1Cr18Ni9Ti | 1Cr18Ni9Ti | 1Cr18Ni9Ti |
| Screw | 35 | 1Cr18Ni9Ti | 1Cr18Ni9Ti |
| Connecting Set | 35 | 1Cr18Ni9Ti | 1Cr18Ni9Ti |
| Pneumatic Device | AT Series | AT Series | AT Series |
| Location Indicator | Plastic | Plastic | Plastic |

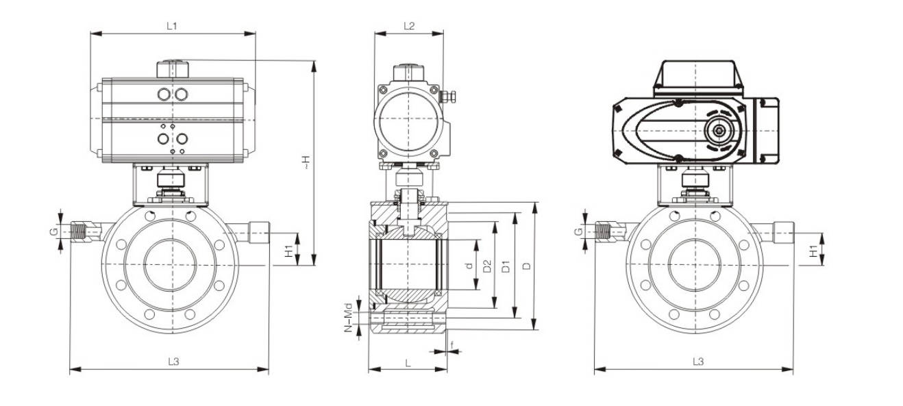
| DN | d | L | L1 | L2 | L3 | ~H | H1 | D | D1 | D2 | f | G | N-Md | Pneumatic Actuator Model | Electric Actuator Models |
|---|---|---|---|---|---|---|---|---|---|---|---|---|---|---|---|
| 15 | 15 | 32 | 145/169 | 75/84 | 150 | 177/208 | 15 | 95 | 65 | 46 | 2 | 1/2" | 4-M12 | AT052DR / AT063SC | ZT-05 |
| 20 | 20 | 38.5 | 145/169 | 75/84 | 160 | 182/213 | 20 | 105 | 75 | 56 | 2 | 1/2" | 4-M12 | AT052DR / AT063SC | ZT-05 |
| 25 | 25 | 45 | 145/201 | 75/98 | 190 | 187/230 | 20 | 115 | 85 | 65 | 2 | 1/2" | 4-M12 | AT052DR / AT075SC | ZT-05 |
| 32 | 29 | 55 | 169/201 | 84/98 | 210 | 223/243 | 25 | 140 | 100 | 76 | 3 | 1/2" | 4-M16 | AT063DR / AT075SC | ZT-10 |
| 40 | 38 | 62 | 201/209 | 98/108 | 230 | 231/261 | 30 | 150 | 110 | 84 | 3 | 1/2" | 4-M16 | AT075DR / AT083SC | ZT-10 |
| 50 | 46 | 72 | 209/242 | 108/120 | 250 | 258/293 | 30 | 165 | 125 | 99 | 3 | 1/2" | 4-M16 | AT083DR / AT092SC | ZT-15 |
| 65 | 62 | 95 | 242/275 | 120/132 | 270 | 273/298 | 45 | 185 | 145 | 118 | 3 | 1/2" | 4-M16 | AT092DR / AT105SC | ZT-15 |
| 80 | 76 | 120 | 275/332 | 132/148 | 300 | 303/325 | 50 | 200 | 160 | 132 | 3 | 1/2" | 8-M16 | AT105DR / AT125SC | ZT-20 |
| 100 | 92 | 145 | 332/385 | 148/165 | 340 | 333/390 | 70 | 220 | 180 | 156 | 3 | 1" | 8-M16 | AT125DR / AT140SC | ZT-50 |
| 125 | 110 | 200 | 385/450 | 165/188 | 360 | 380/468 | 80 | 250 | 210 | 184 | 3 | 1" | 8-M16 | AT140DR / AT160SC | ZT-100 |
| 150 | 145 | 225 | 450/507 | 188/215 | 420 | 432/520 | 95 | 285 | 240 | 211 | 3 | 1" | 8-M20 | AT160DR / AT190SC | ZT-100 |
Step 1: Order and Design
Based on the customer's pressure level, diameter, connection method and operating conditions, the structural dimensions, sealing forms and material requirements of the Thin type Ball Valve are confirmed.
The engineering department completes the drawing design and formulates the production process card and inspection standards, preparing for the subsequent production.

Step 2: Forging & Casting
According to the design requirements, the main components such as the valve body and valve cover are forged or cast.
The valve body of the Thin type Ball Valve usually requires a compact structure and reasonable wall thickness. Therefore, during the blank manufacturing process, the material density and external dimensions need to be carefully controlled to ensure the stability of subsequent processing.

Step 3: Machining
The valve body, ball, valve stem and connection end are precisely machined, including turning, drilling, milling, thread processing and sealing surface processing.
In the processing of the Thin type Ball Valve, the surface finish of the ball and the mating accuracy of the valve seat are very important, which will directly affect the sealing performance and opening/closing torque of the valve.

Step 4: Assembly
Assemble the processed and qualified parts, including installing the valve seat, ball, valve stem, seals, handle or actuator, etc.
During the assembly process of the Thin type Ball Valve, the assembly sequence and preload force need to be strictly controlled to ensure the valve operates flexibly and the seal is reliable.

Step 5: Testing & Quality Assurance
After assembly is completed, conduct pressure tests, seal tests and appearance inspections on the Thin type Ball Valve.
At the same time, check the dimensions, markings and operational performance to ensure that the product complies with relevant standards and customer requirements. Non-conforming products shall not be passed to the next process.

Step 6: Painting and Finishing
After the valves pass the inspection, they will undergo cleaning, rust prevention treatment, painting, marking and final packaging.

In the petrochemical industry, thin type ball valves are mainly used for controlling and regulating fluids. For instance, during the refining process, thin-walled ball valves can be employed to control the flow of crude oil, chemicals, and gases. They act as "switches" in the pipeline system, ensuring that the fluids operate at their best.
Furthermore, the thin type ball valve remains stable even in high-temperature and high-pressure environments. This indicates that they can function properly even under extreme conditions. This is particularly important in the petrochemical industry, as we often encounter challenges such as high temperatures, high pressures, and corrosive media.
These valves are widely used in:

Oil and Gas

Chemical Processing

Power Plants

Water Treatment

Metallurgy and Mining

Agriculture and Irrigation






Superior Quality

Our valves are manufactured using premium materials and undergo rigorous quality testing to ensure reliable performance in demanding industrial applications.
Advanced Technology

Equipped with state-of-the-art CNC machining centers and precision manufacturing equipment, we deliver valves with exceptional accuracy and consistency.
Competitive Pricing

Through optimized manufacturing processes and bulk material procurement, we offer high-quality valves at competitive prices without compromising on quality.
Expert Support

Our experienced technical team provides comprehensive support from product selection to after-sales service, ensuring optimal valve performance for your specific application.
Request a Quote