
Fluorine lined ball valves are similar to plug valves produced by our company. They use a ball with a round hole as the opening and closing element. The ball rotates around the center line together with the stem to open and close the valve.
The ball valve is of Q41F46 type and can be classified into two-piece (split) and three-piece structures. It features low flow resistance, quick opening and closing, and a simple structure, along with the following advantages:
• The FEP-lined ball valve has high chemical stability and can be used with most highly corrosive media, except molten alkali metals and elemental fluorine.
• It adopts a full-bore floating ball structure to achieve zero-leakage sealing and allows convenient maintenance.
• The integrated design of the ball and stem prevents the stem from being pushed out of the pressure boundary due to pressure fluctuations, ensuring safety.
• The compact and well-designed structure, along with a minimal internal cavity, reduces medium retention. Additionally, special molding processes ensure a high-quality sealing surface, and PTFE packing enables zero leakage.
• Two-piece and three-piece structures are suitable for various pipeline systems and working conditions. The three-piece design allows the valve body to be separated, enabling quick replacement and maintenance.
| Design and manufacture | GB 12237 |
|---|---|
| Face to face | ANSI B16.10 (NPS ≥ 2), DIN 3202 / S7, S12 |
| Flange dimension | JB 1686 (DN32 ~ 150) |
| Pressure test | JB78 / JB79 (or according to contract standard) |
| Symbol | GB 12220 |
| Supply | GB/T 12252 |
| No. | Parts name | Grey cast iron (Z) | Carbon steel (C) | Stainless steel (P) | Stainless steel (R) | Low carbon SS (PL) | Low carbon SS (RL) |
|---|---|---|---|---|---|---|---|
| 1 | Body, Bonnet | HT250 | WCB | CF8 | CF8M | CF3 | CF3M |
| 2 | Ball | WCB | WCB | CF8 | CF8M | CF3 | CF3M |
| 3 | Lining / Seat | — | PTFE / PCTFE / FEP / PFA | — | — | PO | — |
| 4 | Packing gland | HT250 | WCB | CF8 | CF8M | CF3 | CF3M |
| 5 | Packing | — | PTFE | PTFE | PTFE | PTFE | PTFE |
| 6 | Bolt | 35 | 35 | 1Cr17Ni2 | 1Cr17Ni2 | 1Cr18Ni9 | 1Cr18Ni9 |
| 7 | Nut | 45 | 45 | 0Cr18Ni9 | 0Cr18Ni9 | 0Cr18Ni9 | 0Cr18Ni9 |
| 8 | Lever | WCC | WCC | WCC | WCC | WCC | WCC |

PN1.0 (MPa)
| DN | NPS | L | D | D1 | D2 | f | b | Z-φd | Do | H | W (kg) |
|---|---|---|---|---|---|---|---|---|---|---|---|
| 15 | 1/2 | 140 | 95 | 65 | 45 | 2 | 14 | 4-φ14 | 120 | 80 | 2.5 |
| 20 | 3/4 | 140 | 105 | 75 | 55 | 2 | 16 | 4-φ14 | 140 | 90 | 3 |
| 25 | 1 | 150 | 115 | 85 | 65 | 2 | 16 | 4-φ14 | 160 | 100 | 4.5 |
| 32 | 1 1/4 | 165 | 135 | 100 | 78 | 2 | 18 | 4-φ18 | 160 | 110 | 5.7 |
| 40 | 1 1/2 | 180 | 145 | 110 | 85 | 3 | 18 | 4-φ18 | 200 | 120 | 7 |
| 50 | 2 | 200 | 160 | 125 | 100 | 3 | 20 | 4-φ18 | 250 | 135 | 9.5 |
| 65 | 2 1/2 | 220 | 180 | 145 | 120 | 3 | 20 | 4-φ18 | 300 | 145 | 15 |
| 80 | 3 | 250 | 195 | 160 | 135 | 3 | 22 | 4/8-φ18 | 350 | 185 | 19 |
| 100 | 4 | 280 | 215 | 180 | 155 | 3 | 22 | 8-φ18 | 240 | 195 | 33 |
| 125 | 5 | 320 | 245 | 210 | 185 | 3 | 24 | 8-φ18 | 500 | 210 | 58 |
| 150 | 6 | 360 | 280 | 240 | 210 | 3 | 24 | 8-φ23 | 200* | 450 | 93 |
| 200 | 8 | 457 | 335 | 295 | 265 | 3 | 26 | 8-φ23 | 240* | 490 | 155 |
| 250 | 10 | 533 | 390 | 350 | 320 | 3 | 28 | 12-φ23 | 240* | 550 | 210 |
| 300 | 12 | 610 | 440 | 400 | 368 | 4 | 28 | 12-φ23 | 320* | 600 | 220 |
| 350 | 14 | 686 | 500 | 460 | 428 | 4 | 30 | 16-φ23 | 320* | 675 | 245 |
| 400 | 16 | 762 | 565 | 515 | 482 | 4 | 32 | 16-φ25 | 360* | 780 | 260 |
PN1.6 (MPa)
| DN | NPS | L | D | D1 | D2 | f | b | Z-φd | Do | H | W (kg) |
|---|---|---|---|---|---|---|---|---|---|---|---|
| 15 | 1/2 | 140 | 95 | 65 | 45 | 2 | 14 | 4-φ14 | 120 | 80 | 2.5 |
| 20 | 3/4 | 140 | 105 | 75 | 55 | 2 | 16 | 4-φ14 | 140 | 90 | 3 |
| 25 | 1 | 150 | 115 | 85 | 65 | 2 | 16 | 4-φ14 | 160 | 100 | 4.5 |
| 32 | 1 1/4 | 165 | 135 | 100 | 78 | 2 | 18 | 4-φ18 | 160 | 110 | 5.7 |
| 40 | 1 1/2 | 180 | 145 | 110 | 85 | 3 | 18 | 4-φ18 | 200 | 120 | 7 |
| 50 | 2 | 200 | 160 | 125 | 100 | 3 | 20 | 4-φ18 | 250 | 135 | 9.5 |
| 65 | 2 1/2 | 220 | 180 | 145 | 120 | 3 | 20 | 4-φ18 | 300 | 145 | 15 |
| 80 | 3 | 250 | 195 | 160 | 135 | 3 | 22 | 8-φ18 | 350 | 185 | 19 |
| 100 | 4 | 280 | 215 | 180 | 155 | 3 | 24 | 8-φ18 | 240 | 195 | 33 |
| 125 | 5 | 320 | 245 | 210 | 185 | 3 | 26 | 8-φ18 | 500 | 210 | 58 |
| 150 | 6 | 360 | 280 | 240 | 210 | 3 | 28 | 8-φ23 | 200* | 450 | 93 |
| 200 | 8 | 457 | 335 | 295 | 265 | 3 | 30 | 12-φ23 | 240* | 490 | 155 |
| 250 | 10 | 533 | 405 | 355 | 320 | 3 | 32 | 12-φ25 | 240* | 550 | 210 |
| 300 | 12 | 610 | 460 | 410 | 375 | 4 | 34 | 12-φ25 | 320* | 600 | 220 |
| 350 | 14 | 686 | 520 | 470 | 435 | 4 | 38 | 16-φ25 | 320* | 675 | 245 |
| 400 | 16 | 762 | 580 | 525 | 485 | 4 | 40 | 16-φ30 | 360* | 780 | 260 |
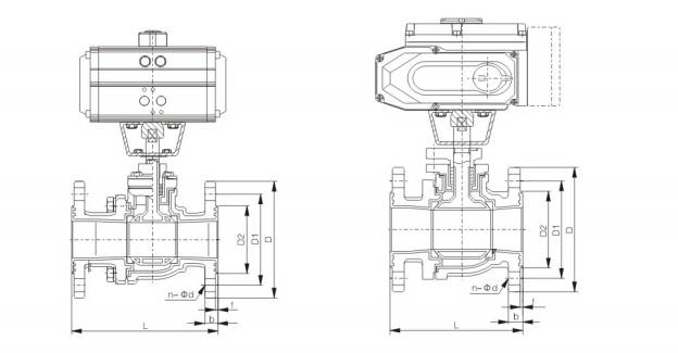
| DN | L | D | D1 | D2 | n-Φd | f | b | Pneumatic Actuator Model | Electric Actuator Models |
|---|---|---|---|---|---|---|---|---|---|
| 15 | 130 | 95 | 65 | 45 | 4-Φ14 | 2.5 | 16 | AT063DR/AT083SC | ZT-05 |
| 20 | 140 | 105 | 75 | 55 | 4-Φ14 | 2.5 | 18 | AT063DR/AT083SC | ZT-05 |
| 25 | 150 | 115 | 85 | 65 | 4-Φ14 | 3 | 19 | AT075DR/AT092SC | ZT-10 |
| 32 | 165 | 140 | 100 | 78 | 4-Φ18 | 3 | 19 | AT092DR/AT105SC | ZT-15 |
| 40 | 180 | 150 | 110 | 85 | 4-Φ18 | 3.5 | 19 | AT105DR/AT125SC | ZT-20 |
| 50 | 200 | 165 | 125 | 100 | 4-Φ18 | 3.5 | 19 | AT125DR/AT140SC | ZT-50 |
| 65 | 220 | 185 | 145 | 120 | 4-Φ18 | 3.5 | 20 | AT125DR/AT140SC | ZT-50 |
| 80 | 250 | 200 | 160 | 135 | 8-Φ18 | 3.5 | 21 | AT140DR/AT160SC | ZT-100 |
| 100 | 280 | 220 | 180 | 155 | 8-Φ18 | 4 | 23 | AT160DR/AT190SC | ZT-100 |
| 125 | 320 | 250 | 210 | 185 | 8-Φ18 | 4 | 25 | AT190DR/AT210SC | ZT-200 |
| 150 | 360 | 285 | 240 | 210 | 8-Φ22 | 4 | 25 | AT240DR/AT270SC | ZMQ-300 |
| 200 | 400 | 340 | 295 | 265 | 8-Φ22 | 4 | 26 | AT270DR/AT350SC | ZMQ-300 |
| 250 | 450 | 395 | 350 | 320 | 12-Φ22 | 4 | 28 | AT350DR/AT400SC | ZMQ-400 |
| 300 | 500 | 445 | 400 | 368 | 12-Φ22 | 4 | 29 | AT400DR/AW35S | ZMQ-500 |
| 350 | 610 | 505 | 460 | 428 | 16-Φ22 | 5 | 29 | AW28/AW40S | ZDQ-600 |
| DN | L | D | D1 | D2 | n-Φd | f | b | Pneumatic Actuator Model | Electric Actuator Models |
|---|---|---|---|---|---|---|---|---|---|
| 15 | 130 | 95 | 65 | 45 | 4-Φ14 | 2.5 | 16 | AT063DR/AT083SC | ZT-05 |
| 20 | 140 | 105 | 75 | 55 | 4-Φ14 | 2.5 | 18 | AT063DR/AT083SC | ZT-05 |
| 25 | 150 | 115 | 85 | 65 | 4-Φ14 | 3 | 19 | AT075DR/AT092SC | ZT-10 |
| 32 | 165 | 140 | 100 | 78 | 4-Φ18 | 3 | 19 | AT083DR/AT092SC | ZT-10 |
| 40 | 180 | 150 | 110 | 85 | 4-Φ18 | 3.5 | 19 | AT092DR/AT105SC | ZT-15 |
| 50 | 200 | 165 | 125 | 100 | 4-Φ18 | 3.5 | 19 | AT105DR/AT125SC | ZT-20 |
| 65 | 220 | 185 | 145 | 120 | 4-Φ18 | 3.5 | 20 | AT125DR/AT140SC | ZT-50 |
| 80 | 250 | 200 | 160 | 135 | 8-Φ18 | 3.5 | 21 | AT140DR/AT160SC | ZT-100 |
| 100 | 280 | 220 | 180 | 155 | 8-Φ18 | 4 | 23 | AT160DR/AT190SC | ZT-100 |
| 125 | 320 | 250 | 210 | 185 | 8-Φ18 | 4 | 25 | AT190DR/AT210SC | ZT-200 |
| 150 | 360 | 285 | 240 | 210 | 8-Φ22 | 4 | 25 | AT240DR/AT270SC | ZMQ-300 |
| 200 | 400 | 340 | 295 | 265 | 12-Φ22 | 4 | 26 | AT270DR/AT350SC | ZMQ-300 |
| 250 | 450 | 405 | 355 | 320 | 12-Φ26 | 4 | 28 | AT350DR/AT400SC | ZMQ-400 |
| 300 | 500 | 460 | 410 | 375 | 12-Φ26 | 4 | 29 | AT400DR/AW35S | ZMQ-500 |
| 350 | 610 | 520 | 470 | 428 | 16-Φ26 | 5 | 29 | AW28/AW40S | ZDQ-600 |

| DN | L | D | D1 | D2 | n-Φd | f | b | Pneumatic Actuator Model | Electric Actuator Models |
|---|---|---|---|---|---|---|---|---|---|
| 15 | 130 | 95 | 65 | 45 | 4-Φ14 | 2.5 | 16 | AT063DR/AT083SC | ZT-05 |
| 20 | 140 | 105 | 75 | 55 | 4-Φ14 | 2.5 | 18 | AT075DR/AT092SC | ZT-10 |
| 25 | 150 | 115 | 85 | 65 | 4-Φ14 | 3 | 19 | AT092DR/AT105SC | ZT-15 |
| 32 | 165 | 140 | 100 | 78 | 4-Φ18 | 3 | 19 | AT105DR/AT125SC | ZT-20 |
| 40 | 180 | 150 | 110 | 85 | 4-Φ18 | 3.5 | 19 | AT125DR/AT140SC | ZT-50 |
| 50 | 200 | 165 | 125 | 100 | 4-Φ18 | 3.5 | 19 | AT125DR/AT140SC | ZT-50 |
| 65 | 220 | 185 | 145 | 120 | 8-Φ18 | 3.5 | 20 | AT140DR/AT160SC | ZT-100 |
| 80 | 250 | 200 | 160 | 135 | 8-Φ18 | 3.5 | 21 | AT160DR/AT190SC | ZT-100 |
| 100 | 280 | 235 | 190 | 160 | 8-Φ22 | 4 | 25 | AT190DR/AT210SC | ZT-200 |
| 125 | 320 | 270 | 220 | 188 | 8-Φ26 | 4 | 25 | AT240DR/AT270SC | ZMQ-300 |
| 150 | 360 | 300 | 250 | 218 | 8-Φ26 | 4 | 26 | AT270DR/AT350SC | ZMQ-300 |
| 200 | 400 | 360 | 310 | 278 | 12-Φ26 | 4 | 28 | AT350DR/AT400SC | ZMQ-400 |
| 250 | 450 | 425 | 370 | 332 | 12-Φ30 | 4 | 29 | AT400DR/AW35S | ZMQ-500 |
| 300 | 500 | 485 | 430 | 390 | 16-Φ30 | 4 | 29 | AW28/AW40S | ZDQ-600 |
| DN | L | D | D1 | D2 | n-Φd | f | b | Pneumatic Actuator Model | Electric Actuator Models |
|---|---|---|---|---|---|---|---|---|---|
| 1/2 | 110 | 90 | 60.5 | 35 | 4-Φ16 | 2.5 | 12.5 | AT063DR/AT083SC | ZT-05 |
| 3/4 | 117 | 100 | 70.0 | 43 | 4-Φ16 | 2.5 | 14 | AT063DR/AT083SC | ZT-05 |
| 1 | 127 | 110 | 79.5 | 51 | 4-Φ16 | 3 | 16 | AT075DR/AT092SC | ZT-10 |
| 1 1/4 | 140 | 115 | 89.0 | 64 | 4-Φ16 | 3 | 17 | AT083DR/AT092SC | ZT-10 |
| 1 1/2 | 165 | 125 | 98.5 | 73 | 4-Φ16 | 3.5 | 19.5 | AT092DR/AT105SC | ZT-15 |
| 2 | 178 | 152 | 120.5 | 92 | 4-Φ19 | 3.5 | 21 | AT105DR/AT125SC | ZT-20 |
| 2 1/2 | 190 | 180 | 139.5 | 105 | 4-Φ19 | 3.5 | 24 | AT125DR/AT140SC | ZT-50 |
| 3 | 203 | 190 | 152.5 | 127 | 4-Φ19 | 3.5 | 26 | AT140DR/AT160SC | ZT-100 |
| 4 | 229 | 230 | 190.5 | 157 | 8-Φ19 | 4 | 27.5 | AT160DR/AT190SC | ZT-100 |
| 5 | 254 | 255 | 216.0 | 186 | 8-Φ23 | 4 | 27.5 | AT190DR/AT210SC | ZT-200 |
| 6 | 267 | 280 | 241.5 | 216 | 8-Φ23 | 4 | 28 | AT240DR/AT270SC | ZMQ-300 |
| 8 | 292 | 345 | 298.5 | 270 | 8-Φ23 | 4 | 31 | AT270DR/AT350SC | ZMQ-300 |
| 10 | 330 | 405 | 362.0 | 324 | 12-Φ25 | 4 | 33 | AT350DR/AT400SC | ZMQ-400 |

Step 1: Order and Design
According to the customer's requirements, confirm the size, pressure, connection method and applicable medium of the fluorine lined Ball Valve, and select the appropriate lining material, such as PTFE or PFA.

Step 2: Forging & Casting
The valve body and valve cover of the fluorine lined Ball Valve are generally formed through casting or forging processes. After the raw materials are processed, they undergo cleaning and initial inspection to ensure there are no obvious defects.

Step 3: Machining
The valve body, ball, valve stem and other components of the fluorine lined Ball Valve are processed through turning, drilling, boring and milling to ensure the accuracy of key dimensions and sealing surfaces.

Step 4: Assembly
After fluorine-coating the internal parts, assemble the ball, valve stem, valve seat and sealing components. During the assembly process, it is necessary to protect the lining layer to ensure that the fluorine lined Ball Valve operates flexibly and seals reliably.

Step 5: Testing & Quality Assurance
Conduct shell tests, sealing tests, operation tests and lining inspections on the fluorine lined Ball Valve to ensure that the product has excellent corrosion resistance and safety.

Step 6: Painting and Finishing
After passing the inspection, the outer surface of the fluorine lined Ball Valve is sprayed, labeled, cleaned and packaged, and finally it is dispatched for shipment.

The Fluorine Lined Ball Valve, as a key equipment widely used in various fields, is attracting increasing attention due to its outstanding performance and advantages. Its characteristics, such as corrosion resistance, sealing performance, low fluid resistance, low friction coefficient, as well as environmental protection and energy conservation, enable it to demonstrate outstanding performance in industries like chemical engineering, pharmaceuticals, food, and environmental protection.
These valves are widely used in:

Oil and Gas

Chemical Processing

Power Plants

Water Treatment

Metallurgy and Mining

Agriculture and Irrigation






Superior Quality

Our valves are manufactured using premium materials and undergo rigorous quality testing to ensure reliable performance in demanding industrial applications.
Advanced Technology

Equipped with state-of-the-art CNC machining centers and precision manufacturing equipment, we deliver valves with exceptional accuracy and consistency.
Competitive Pricing

Through optimized manufacturing processes and bulk material procurement, we offer high-quality valves at competitive prices without compromising on quality.
Expert Support

Our experienced technical team provides comprehensive support from product selection to after-sales service, ensuring optimal valve performance for your specific application.
Request a Quote