
Ceramic ball valves are extremely hard and wear-resistant, perfect for abrasive slurries and pneumatic conveying systems.
| Design and Manufacture | JB/T 10529 |
|---|---|
| Face to Face (Connection End) | GB/T 12221 |
| Flange End (Connection End) | GB/T 9113 |
| Inspection & Test | JB/T 9092 |
| Mark | GB/T 12220 |
| Delivery | GB/T 12252 |
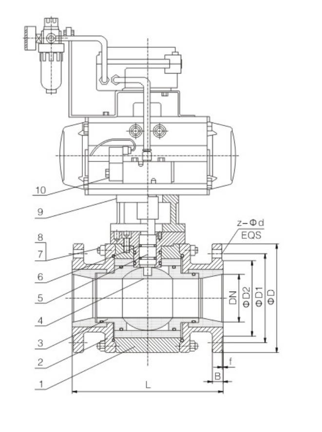
| DN | L | PN10 D | PN10 D1 | PN10 D2 | PN10 B | PN10 f | PN10 Z-d | PN16 D | PN16 D1 | PN16 D2 | PN16 B | PN16 f | PN16 Z-d |
|---|---|---|---|---|---|---|---|---|---|---|---|---|---|
| 15 | 130 | 95 | 65 | 45 | 16 | 2 | 4-14 | 95 | 65 | 45 | 16 | 2 | 4-14 |
| 20 | 130 | 105 | 75 | 58 | 18 | 2 | 4-14 | 105 | 75 | 58 | 18 | 2 | 4-14 |
| 25 | 140 | 115 | 85 | 68 | 18 | 2 | 4-14 | 115 | 85 | 68 | 18 | 2 | 4-14 |
| 32 | 165 | 140 | 100 | 78 | 18 | 2 | 4-18 | 140 | 100 | 78 | 18 | 2 | 4-18 |
| 40 | 165 | 150 | 110 | 88 | 18 | 3 | 4-18 | 150 | 110 | 88 | 18 | 3 | 4-18 |
| 50 | 203 | 165 | 125 | 102 | 18 | 3 | 4-18 | 165 | 125 | 102 | 18 | 3 | 4-18 |
| 65 | 222 | 185 | 145 | 122 | 18 | 3 | 8-18 | 185 | 145 | 122 | 18 | 3 | 8-18 |
| 80 | 241 | 200 | 160 | 138 | 20 | 3 | 8-18 | 200 | 160 | 138 | 20 | 3 | 8-18 |
| 100 | 305 | 220 | 180 | 158 | 20 | 3 | 8-18 | 220 | 180 | 158 | 20 | 3 | 8-18 |
| 125 | 356 | 250 | 210 | 188 | 22 | 3 | 8-18 | 250 | 210 | 188 | 22 | 3 | 8-18 |
| 150 | 394 | 285 | 240 | 212 | 22 | 3 | 8-22 | 285 | 240 | 212 | 22 | 3 | 8-22 |
| 200 | 457 | 340 | 295 | 268 | 24 | 3 | 8-22 | 340 | 295 | 268 | 24 | 4 | 12-22 |
| 250 | 533 | 395 | 350 | 320 | 26 | 3 | 12-22 | 405 | 355 | 320 | 26 | 4 | 12-26 |
| 300 | 610 | 445 | 400 | 370 | 26 | 4 | 12-22 | 460 | 410 | 378 | 28 | 4 | 12-26 |

Step 1: Order and Design
Confirm the working conditions, such as pressure, temperature, medium, and connection type. Based on customer requirements, the design team prepares drawings and material specifications for the ceramic ball valve, including valve body structure, ceramic ball, seat, and actuator options.

Step 2: Forging & Casting
The metal parts such as valve body, bonnet, and end caps are produced through forging or casting, depending on the valve size and pressure class. For a ceramic ball valve, the ceramic ball and seat are manufactured separately using high-performance ceramic materials and then sintered at high temperature to achieve excellent hardness and wear resistance.

Step 3: Machining
After forging or casting, all metal components are machined to precise dimensions, including drilling, boring, threading, and flange finishing. The ceramic ball and seat of the ceramic ball valve are also ground and polished with high precision to ensure tight sealing performance and smooth operation.

Step 4: Assembly
All finished components are cleaned and assembled according to technical requirements. During ceramic ball valve assembly, special attention is paid to the installation of ceramic trim parts, seals, stem components, and actuator interfaces to avoid damage and ensure proper alignment.

Step 5: Testing & Quality Assurance
Each valve undergoes strict inspection and testing, including dimension check, pressure test, seat leakage test, and operation test. For every ceramic ball valve, the quality team also verifies the integrity of ceramic parts to ensure reliable performance under abrasive and corrosive service conditions.

Step 6: Painting and Finishing
After passing all tests, the external metal surfaces are cleaned, coated, and painted for corrosion protection. Finally, the valve is marked, packed, and prepared for shipment according to customer and export requirements.

Imported ceramic ball valves are widely used in industries such as thermal power generation, steel, petroleum, chemical engineering, papermaking, and bioengineering, especially suitable for complex working conditions such as boiler steam, lime slurry, seawater with particles, high-hardness particles, corrosive media, powder, flue gas desulfurization, ash and slag discharge, and water treatment; they can be replaced with different materials according to the application, adapting to different temperature and medium environments, and possessing advantages such as corrosion resistance, high temperature resistance, wear resistance and erosion resistance. They are widely used in acid, alkali, salt gas liquid, high-temperature steam and slurry transportation systems in industries such as petrochemicals, metallurgy, power stations, and oil refining, and are ideal products for replacing titanium metal valves and Monel valves in strong corrosive conditions. Among them, the zirconia ceramic ball valve has the advantages of high economy and long service life, and can provide various driving methods such as manual, pneumatic, pneumatic spring reset, and electric. It can also be customized according to user requirements. The hard-sealing structure is particularly suitable for environments with particles and fibrous media.
These valves are widely used in:

Oil and Gas

Chemical Processing

Power Plants

Water Treatment

Metallurgy and Mining

Agriculture and Irrigation






Superior Quality

Our valves are manufactured using premium materials and undergo rigorous quality testing to ensure reliable performance in demanding industrial applications.
Advanced Technology

Equipped with state-of-the-art CNC machining centers and precision manufacturing equipment, we deliver valves with exceptional accuracy and consistency.
Competitive Pricing

Through optimized manufacturing processes and bulk material procurement, we offer high-quality valves at competitive prices without compromising on quality.
Expert Support

Our experienced technical team provides comprehensive support from product selection to after-sales service, ensuring optimal valve performance for your specific application.
Request a Quote
